EasyManua.ls Logo

FULLER O’BRIEN PRO 4030 - Pressure Washer Parts Identification; PRO 3515 Parts Drawing and List

Default Icon
28 pages
Print Icon
To Next Page IconTo Next Page
To Next Page IconTo Next Page
To Previous Page IconTo Previous Page
To Previous Page IconTo Previous Page
Loading...
10
308–526
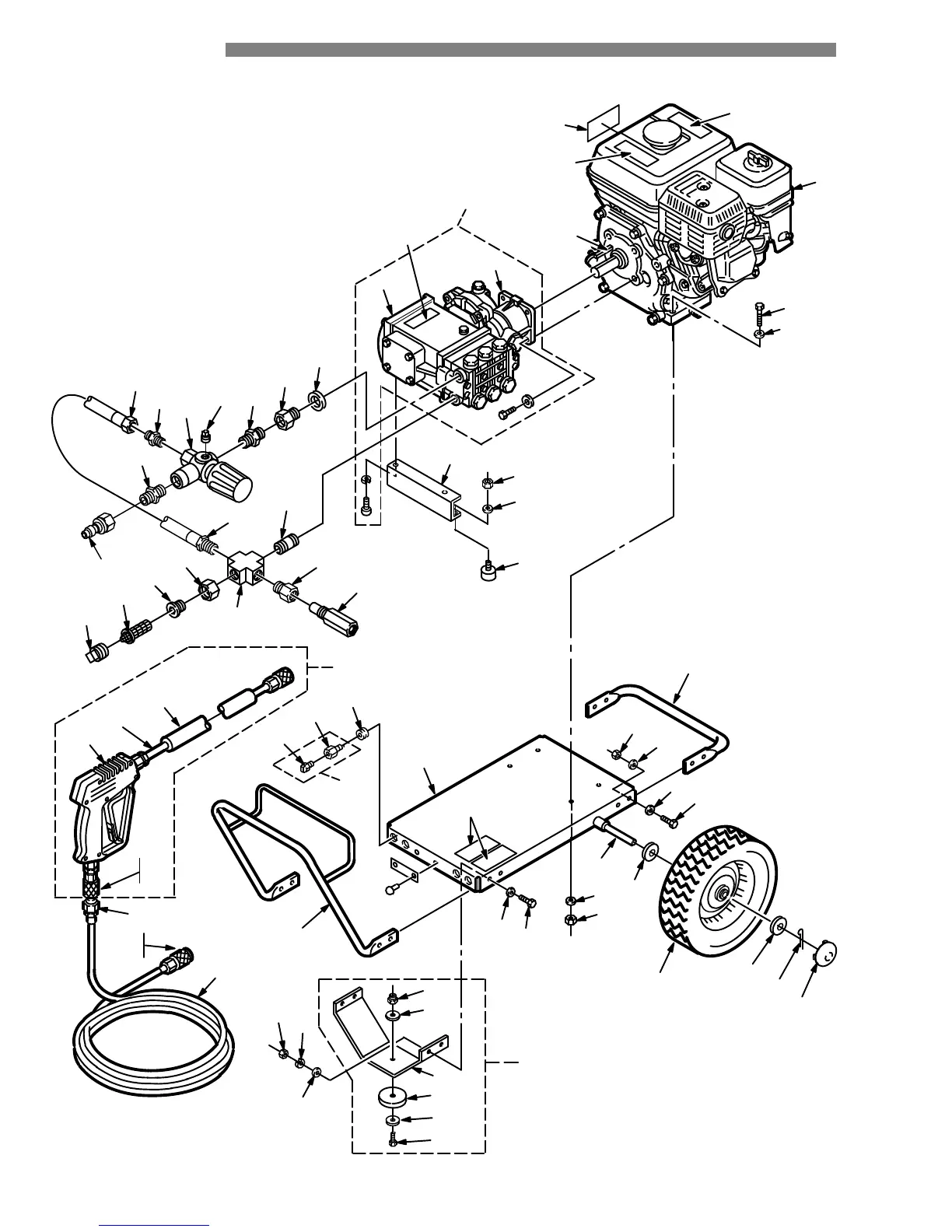
PARTS DRAWING
800–584
PRO 3515 Pressure W
asher
4
56
57
55
20
17 11
11
18
14
10
46
6
60
63
29
31
61
16
27
30
9
16
18
19
7
13
54
3
2
53
33
44
46
6
6
45
41
32
40
39
36
35
34
38
37
36
67
36
50
51
36
35
40
52
42
43
47
64
48
49
66
6
46
6
8
1
12
27
30
22
23
24
25
26
21

Related product manuals