EasyManua.ls Logo

FULLER O’BRIEN PRO 4030 - PRO 4030 Parts Identification; PRO 4030 Parts Drawing and List

Default Icon
28 pages
Print Icon
To Next Page IconTo Next Page
To Next Page IconTo Next Page
To Previous Page IconTo Previous Page
To Previous Page IconTo Previous Page
Loading...
12
308–526
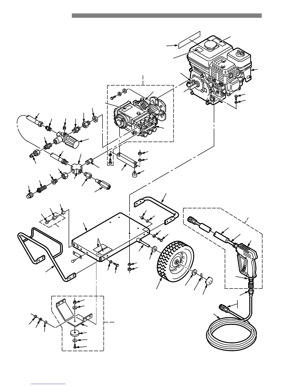
PARTS DRAWING
800–585
PRO 4020 Pressure W
asher
4
6
1
57
33
44
46
6
6
45
41
32
40
43
39
36
35
58
34
38
37
36
67
36
50
51
36
35
20
12
17
11
11
18
16
18
14
10
46
6
7
8
40
52
42
53
2
3
13
54
60
63
29
31
61
16
9
19
59
47
64
48
49
66
6
46
55
27
30
19
22
23
24
25
26
21

Related product manuals