EasyManua.ls Logo

FULTON J Series - Page 50

FULTON J Series
88 pages
Print Icon
To Next Page IconTo Next Page
To Next Page IconTo Next Page
To Previous Page IconTo Previous Page
To Previous Page IconTo Previous Page
Loading...
J OIL-E-08 2008
5 5
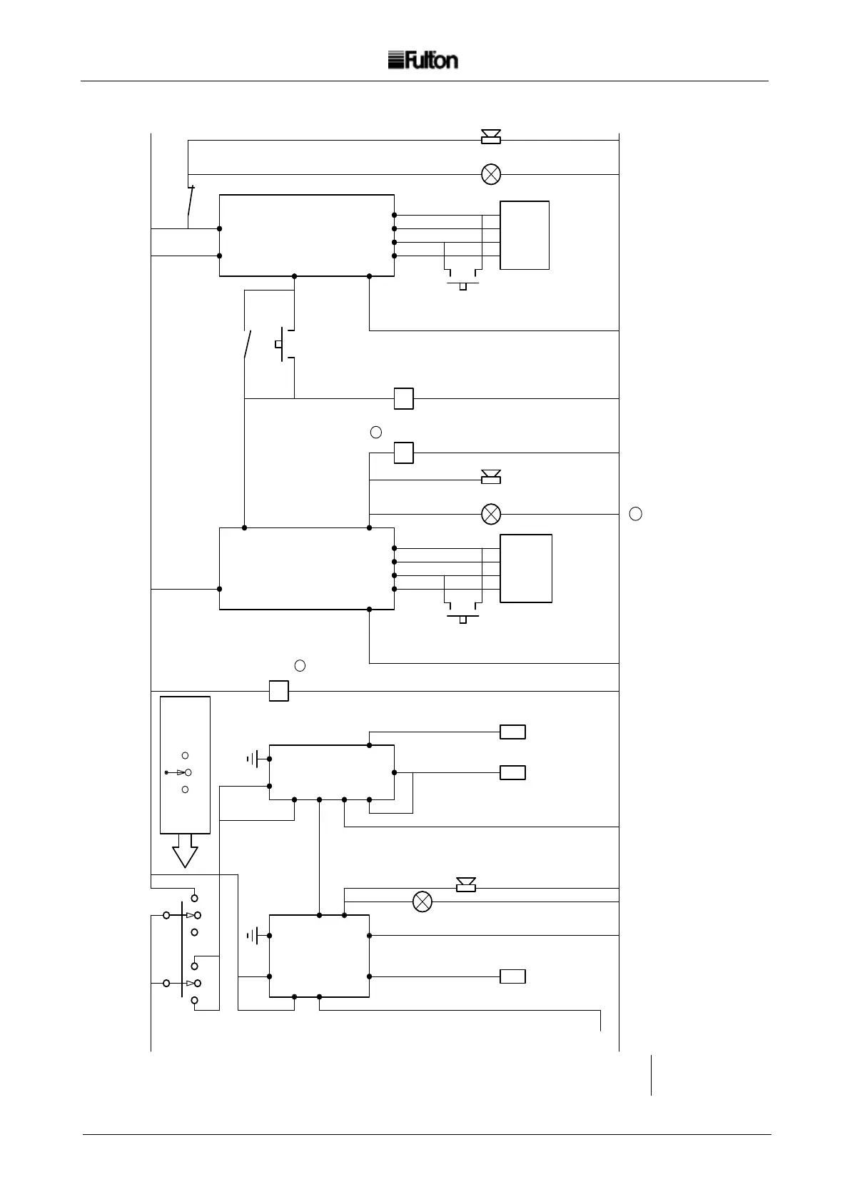
FIG. 24 SPIRAX LEVEL CONTROL CIRCUIT
45
C
CN
CC
CN
7
6
3 4
5
81
2
HL1
(IF FITTED)
SWITCH
SELECTOR
7
4
3
5
1
2
PL1
6
8
PL1 (3)
50
HIGH
WATER
(IF FITTED)
52
PUMP
ON
51
PUMP
OFF
HIGH WATER ALARM
(IF FITTED)
1st LOW
WATER
LP30
LC3000
1st
9101112
1
2 5
3
R6
1st LOW WATER TEST
BUTTON
1st LOW WATER LIGHT & ALARM
2nd LOW
WATER
LP30
LC3000
2nd
9 101112
1
4
2
R2
2nd LOW WATER TEST
BUTTON
2nd LOW WATER LIGHT & ALARM
3
R2
R2
2nd LOW WATER
RESET BUTTON
OFF
PUMP
ONLY
PUMP &
BOILER
SPIRAX LEVEL CONTROL PANEL CIRCUIT
(FOR GAS, OIL & DUAL FUEL BOILERS)
NOTE:
FOR CIRCUIT CONTINUATION INSTRUCTION
REFER TO DRAWINGS:
EJ060000 (FOR 'J' SERIES BOILERS);
ERB060000 (FOR RBC BOILERS).
R1
1
1
1
DENOTES LOCATION OF CHANGES FOR ISSUE NUMBER
EGP06 0001-2

Other manuals for FULTON J Series

Related product manuals