EasyManua.ls Logo

FUNAI DR-D2831 - Page 38

FUNAI DR-D2831
67 pages
Print Icon
To Next Page IconTo Next Page
To Next Page IconTo Next Page
To Previous Page IconTo Previous Page
To Previous Page IconTo Previous Page
Loading...
1-10-13
E68C9SCAV5
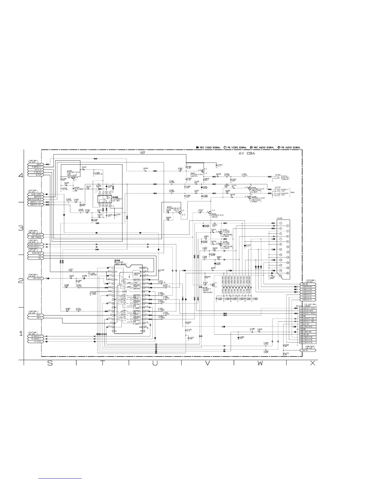
AV 5/6 Schematic Diagram

Related product manuals