EasyManua.ls Logo

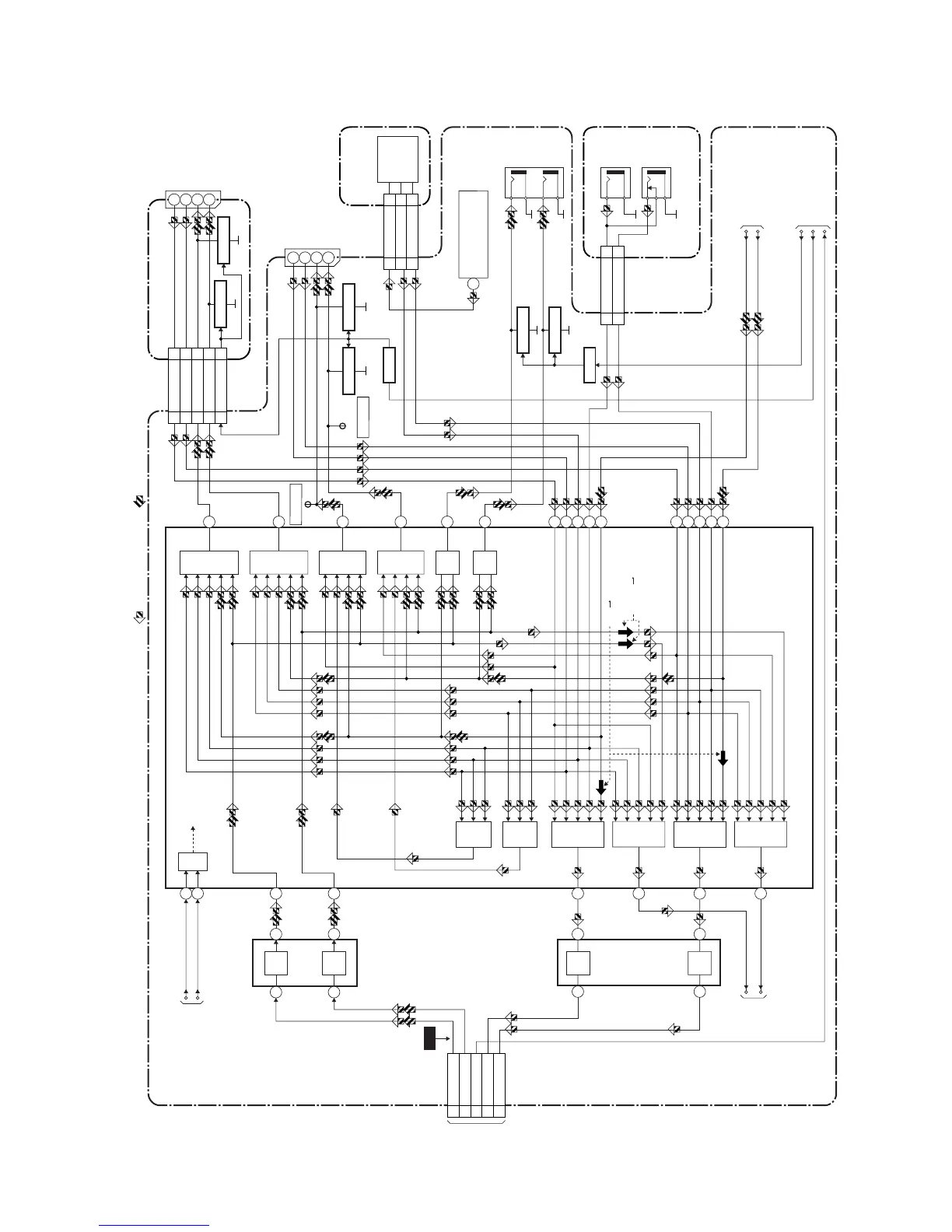
FUNAI HDR-B2735D - Audio Selector Block Diagram

FUNAI HDR-B2735D
94 pages
Print Icon
To Next Page IconTo Next Page
To Next Page IconTo Next Page
To Previous Page IconTo Previous Page
To Previous Page IconTo Previous Page
Loading...
1-12-6
Audio Selector Block Diagram
IC1506(AUDIO SELECTOR)
JK1503
Q1536
Q1539
AUDIO(L)
-OUT
AV CBA
AUDIO(R)
-OUT
JK3002
AUDIO(L)
-IN1
AUDIO(R)
-IN1
JK3003
SIF OUT
55
TU-AUDIO(L)
2
2
AUDIO-MUTE
22
SIF
44
TU-AUDIO(R)
33
AUDIO(L)-OUT2
66
AUDIO(L)-IN2
55
AUDIO(R)-IN2
11
AUDIO(R)-OUT2
(
OP AMP
)
IC1501
TO DIGITAL
SIGNAL
PROCESS
BLOCK
DIAGRAM
(CN601)
TO Hi-Fi
AUDIO
BLOCK
DIAGRAM
TU1501 (TUNER UNIT)
OP
AMP
OP
AMP
VCR-AUDIO-OUT(L)
VCR-AUDIO-OUT(R)
7
7
1
6
2
MUTE-ON
DRIVE
Q1540
(FRONT)
(REAR)
(FRONT)
MUTE-ON
CN1504
(OP AMP)
IC1505
OP
AMP
OP
AMP
SW
SW
SW
2
6
1
7
REC AUDIO SIGNAL PB AUDIO SIGNAL
Q1537
MUTE-ON
Q1538
MUTE-ON
Q2002
MUTE-ON
Q2003
MUTE-ON
IF SINAL
PROCESS
AFV CBA
FRONT JACK CBA
REAR JACK CBA
CN1508
CN1507
CN2001
CN1
18
18
AUDIO(L)-IN-F
20 20
AUDIO(R)-IN-F
CN1503
CN3001
JK2001
AUDIO(R)-IN2
AUDIO(L)-OUT2
AUDIO(R)-OUT2
2
AUDIO(L)-IN26
1
3
JK1504
AUDIO(R)-IN1
AUDIO(L)-OUT1
AUDIO(R)-OUT1
2
AUDIO(L)-IN16
1
3
79
80
70
69
76
77
90
67
68
94
85
92
82
89
93
84
91
81
SW
SW
SW
SW
72
SW
71
SW
74
SW
SW
SW
73
17
AUDIO(L)-OUT
15
AUDIO(R)-OUT
19
DVD-AUDIO-MUTE
13 AUDIO(L)-IN
11 AUDIO(R)-IN
DVD/HDD-AUDIO-MUTE
SCART-AUDIO-MUTE
AUDIO-MUTE
VCR-AUDIO-IN(L)
VCR-AUDIO-IN(R)
TO SUB
SYSTEM CONTROL
BLOCK DIAGRAM
TO Hi-Fi AUDIO
BLOCK DIAGRAM
Q1534
DRIVE
IIC
I/F
42
43
TO SUB SYSTEM
CONTROL
BLOCK DIAGRAM
SDA
SCL
WF9
TP1522
TP1521
A-OUT(L)
A-OUT(R)
(DVD/HDD VCR DUBBING)
(VCR DVD/HDD DUBBING)
E434GBLAS

Table of Contents

Other manuals for FUNAI HDR-B2735D

Related product manuals