EasyManua.ls Logo

FUNAI HDR-B2735D - Power Supply Block Diagram

FUNAI HDR-B2735D
94 pages
Print Icon
To Next Page IconTo Next Page
To Next Page IconTo Next Page
To Previous Page IconTo Previous Page
To Previous Page IconTo Previous Page
Loading...
1-12-9
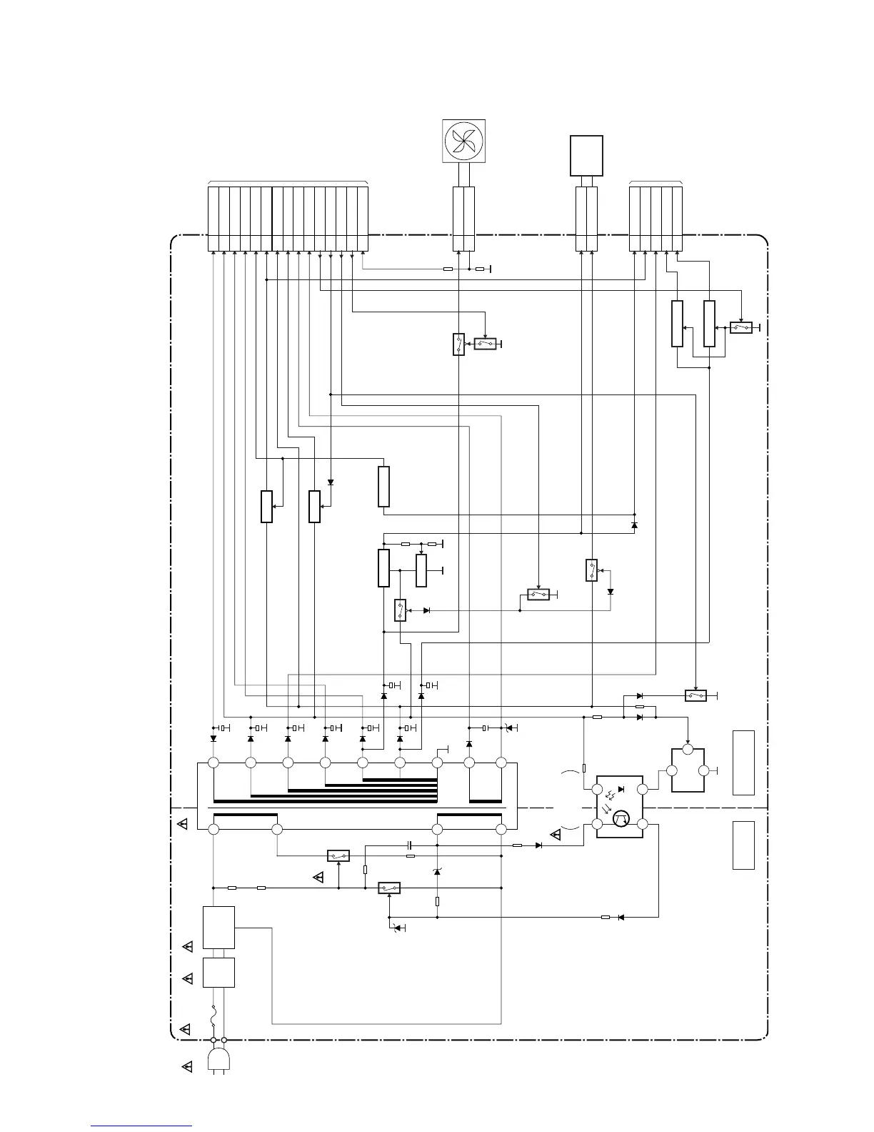
Power Supply Block Diagram
E434GBLP
CAUTION !
Fixed voltage (or Auto voltage selectable) power supply circuit is used in this unit.
If Main Fuse (F1001) is blown , check to see that all components in the power supply
circuit are not defective before you connect the AC plug to the AC power supply.
Otherwise it may cause some components in the power supply circuit to fail.
NOTE:
The voltage for parts in hot circuit is measured using
hot GND as a common terminal.
CAUTION !
For continued protection against fire hazard,
replace only with the same type fuse.
SHUNT
REG.
AC1001
F1001
T1.6A L 250V
LINE
FILTER
L1003
D1001 - D1004
BRIDGE
RECTIFIER
3
5
Q1001
Q1003
Q1107
Q1114
TO
POWER SUPPLY
BLOCK DIAGRAM
(CN1501)
Q1115
Q1102
Q1103
Q1104
7
8
1
2
3
2
1
3
4
IC1001
IC1101
ERROR
VOLTAGE DET
T1001
POWER SUPPLY CBA
HOT CIRCUIT. BE CAREFUL.
18
17
16
15
14
13
12
11
10
CL1001
1 AL-30V
2 AL+44V
7,8 AL+12V
CN1001
14-17
EV+2.4V
4-6 EV+10.5V
25-27
P-ON+3.3V
11-13
P-ON+5V
CN1003
4 HDD+12V
1 HDD+5V
CN1002
1FAN
2 FAN-LOCK
20-22
P-ON+2.5V
3,4 AL+16.3V
14 P-ON+9V(1)
15,16
P-ON+5V(A)
17,18
AL+5V(3)
23 F1
22 AL+5V
24 F2
25 REG-CONT
26 LOW-POW
12 FAN-CONT1
27 PWR-SW
13 FAN-LOCK
Q1100
Q1101
Q1105
SW+12V
Q1106
SW+5V
SW-CTL
IC1102
HOT COLD
+2.5V REG.
IC1103
+9V REG.
+3.3V REG.
IC1104
FAN
Q1108-Q1111
SW+5V
TO
DVD/HDD
MAIN CBA
(CN501)
HARD
DISC
DRIVE

Table of Contents

Other manuals for FUNAI HDR-B2735D

Related product manuals