EasyManua.ls Logo

FUNAI LC320SLX - Page 52

FUNAI LC320SLX
241 pages
Print Icon
To Next Page IconTo Next Page
To Next Page IconTo Next Page
To Previous Page IconTo Previous Page
To Previous Page IconTo Previous Page
Loading...
9-8
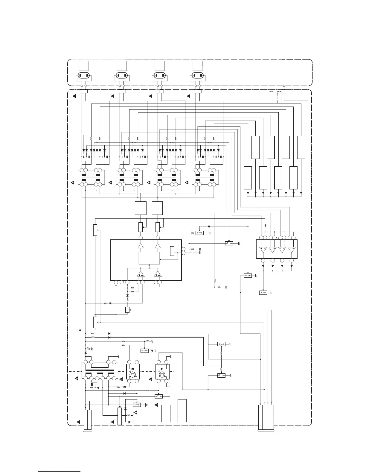
Inverter Block Diagram
[LC320SLX, 32MF339B/F7, LC320SSX, LC320EMX, LC320EMXF]
A91F3BLINV
INVERTER CBA
CN1001
PROTECT3
10
BACKLIGHT-ADJ
12
VCOM
2
BACKLIGHT-SW
11
TO SYSTEM
CONTROL
BLOCK
DIAGRAM
(CN201)
T1950
10
11
14
15
2
3
4
5
7
8
14
3 2
Q1970
Q1971
IC1930
14
3 2
IC1931
Q1931
TO POWER
SUPPLY
BLOCK
DIAGRAM
(CN602)
HOT
COLD
HOT CIRCUIT. BE CAREFUL.
Q1972
SWITCHING
Q1930
CN1900
Q1932
IC1000
(PWM CONTROL)
BACK
LIGHT
1
2
1
2
1
2
CN1100
CN1150
CN1200
BACK
LIGHT
BACK
LIGHT
T1100
Q1551,
Q1552,
Q1553
Q1001
Q1003
Q1210
Q1211
Q1160
Q1161
Q1110
Q1111
Q1500
Q1801,Q1802,
Q1803,Q1804
Q1800,Q1815
Q1004,
Q1005
Q1550
T1150
4
1
3
7
8
6
5
2
T1200
DRIVE
Q1501,
Q1502,
Q1503
DRIVE
OSC
PWM
CONTROL
LOGIC
VCC
DCT
CURRENT
CONTROL
SWITCH
CURRENT
CONTROL
SWITCH
OVER VOLTAGE
PROTECTOR
OVER VOLTAGE
PROTECTOR
OVER VOLTAGE
PROTECTOR
OVER VOLTAGE
PROTECTOR
OVER VOLTAGE
PROTECTOR
OVER VOLTAGE
PROTECTOR
Q1060
OVER VOLTAGE
PROTECTOR
Q1061
OVER VOLTAGE
PROTECTOR
11
8
5 6
15
3
4
12
16
2
1
SW+16V
SW
SW+16V
Q1600
Q1621
LCD MODULE
ASSEMBLY
T1050
4
1
3
7
8
6
5
2
4
1
3
7
8
6
5
2
4
1
3
7
8
6
5
2
BACK
LIGHT
1
2
CN1050
IC1700
(COMPARATOR)
6
7
5
2
3
9
10
1
8
13
12
14
ACL2
HOT-GND1
INV+16V
10
CN1003
CN1005
VCOM
*1
*2
NOTE:
The voltage for parts in hot circuit is measured using
hot GND as a common terminal.
*1 LC320SLX (Serial No. : DS1A**********),
LC320SLX (Serial No. : DS2A**********),
LC320SLX (Serial No. : DS4A**********),
32MF339B/F7,
LC320SSX,
LC320EMX (Serial No. : DS1A**********),
LC320EMX (Serial No. : DS2A**********),
LC320EMX (Serial No. : DS4A**********),
LC320EMXF
*2 LC320SLX (Serial No. : DS3A**********),
LC320EMX (Serial No. : DS3A**********),

Related product manuals