EasyManua.ls Logo

Furuno DMC-5 - RB-500;700 Connection

Furuno DMC-5
493 pages
Print Icon
To Next Page IconTo Next Page
To Next Page IconTo Next Page
To Previous Page IconTo Previous Page
To Previous Page IconTo Previous Page
Loading...
REMOTE
I1-18
4.3
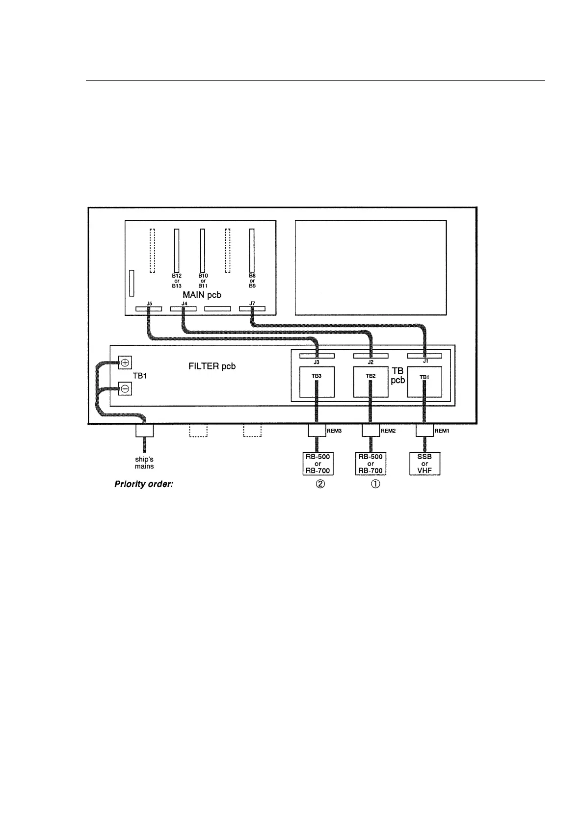
RB-500/700 Connection
Connect Remote Station RB-500 (RB-700) to the DB-500 as shown below.
1. When connecting two remote stations (Standard)

Table of Contents