EasyManua.ls Logo

Furuno FA-150 - Static Data

Furuno FA-150
115 pages
Print Icon
To Next Page IconTo Next Page
To Next Page IconTo Next Page
To Previous Page IconTo Previous Page
To Previous Page IconTo Previous Page
Loading...
2. INLAND AIS
2-8
2.4 Static Data
The STATIC DATA display shows various navigation data such as your MMSI
no., ship name, etc. This data should be checked once per voyage or once per
month whichever is shorter. Data may be changed only on the authority of the
master. To show your static data, press the DISP key twice at the plotter
display to show “OWN STATIC DATA”. Use or to go forward, or to
go back.
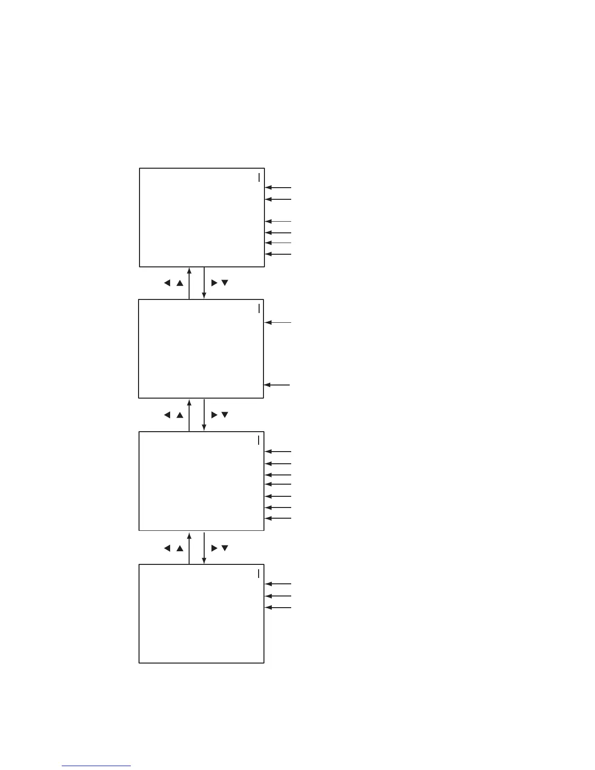
[STATIC DATA] 1/9
MMSI : 123456789
NAME : FURUNO
VOYAGER
CALL SIGN: ZL6DEF1
IMO NO. : 9241062*
ENI : 1654321
AIS MODE : SOLAS
[STATIC DATA] 2/9
SOLAS DESTINATION:
* * * * * * * * * * * * ** * * * *
MAINZ
ETA: 15/JUL 11:22 UTC*
[STATIC DATA] 3/9
INLAND DESTINATION
COUNTRY CODE : DE
LOCATION CODE : MAI
FAIRWAY NO. : 03901
TERMINAL CODE :
00FRB
FAIRWAY HECT : 00000
ETA: 15/JUL 11:22 UTC*
Destination
MMSI no.
Name of ship
IMO no.
Estimated date of arrival,
estimated time of arrival
Country code no.
Destination type
Location code no.
Call sign
AIS mode
ENI no.
[STATIC DATA] 4/9
NAV STATUS: 01
UN/LOADED: UNLOADED
***STATUS DETAIL***
AT ANCHOR
Cargo status, unloaded, loaded, or unknown
Navigation status no.
Navigation status description
Terminal code no.
Fairway section no.
Fairway hectometre no.
Estimated date of arrival,
estimated time of arrival
(Continued on next page)
* All zeroes (0) are transmitted when
the Inland AIS mode is active.
* Time format shown as
UTC (Coordinated
Universal Time) or LT
(Local Time).

Table of Contents

Other manuals for Furuno FA-150

Related product manuals