EasyManua.ls Logo

Gallo Tech GStarter I - Page 8

Default Icon
12 pages
Print Icon
To Next Page IconTo Next Page
To Next Page IconTo Next Page
To Previous Page IconTo Previous Page
To Previous Page IconTo Previous Page
Loading...
© Copyright
Gallo Technologies
. All Right Reserved
-
8
-
52008
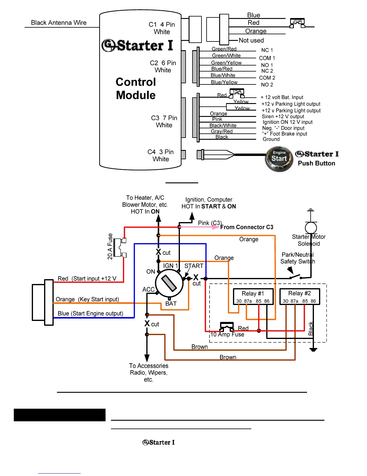
Figure 1
C1
,
R1/R2: 4
PIN WIRE HARNESS and RELAY PAIR (Engine Start Circuit)
Figure 2
6 Pin Wire Harness (Door Lock/Unlock Circuit)
U
sed for
“Engine Start
with
Alarm
configuration
only
Determine the Door Locking/
Unlocking circuitry
that you
r
vehicle
is equipped with.
F
ig. 3 shows the door
lock/
unlock output
relay configuration of the
.
The majority of
vehicles
come equipped with either
Neg
(
-
)
Fig.
4
or
Pos
.(+)
Fig.
5
Trigger circuits. Find the location of the appropriate circuitry for your
vehicle
(
Make, Model,
Installing Connector
C2:

Related product manuals