EasyManua.ls Logo

Gallo Tech GTS-3RS - Page 14

Default Icon
16 pages
Print Icon
To Next Page IconTo Next Page
To Next Page IconTo Next Page
To Previous Page IconTo Previous Page
To Previous Page IconTo Previous Page
Loading...
© Copyright
Gallo Technologies
. All Right Reserved
-
14
-
0
615
1
5
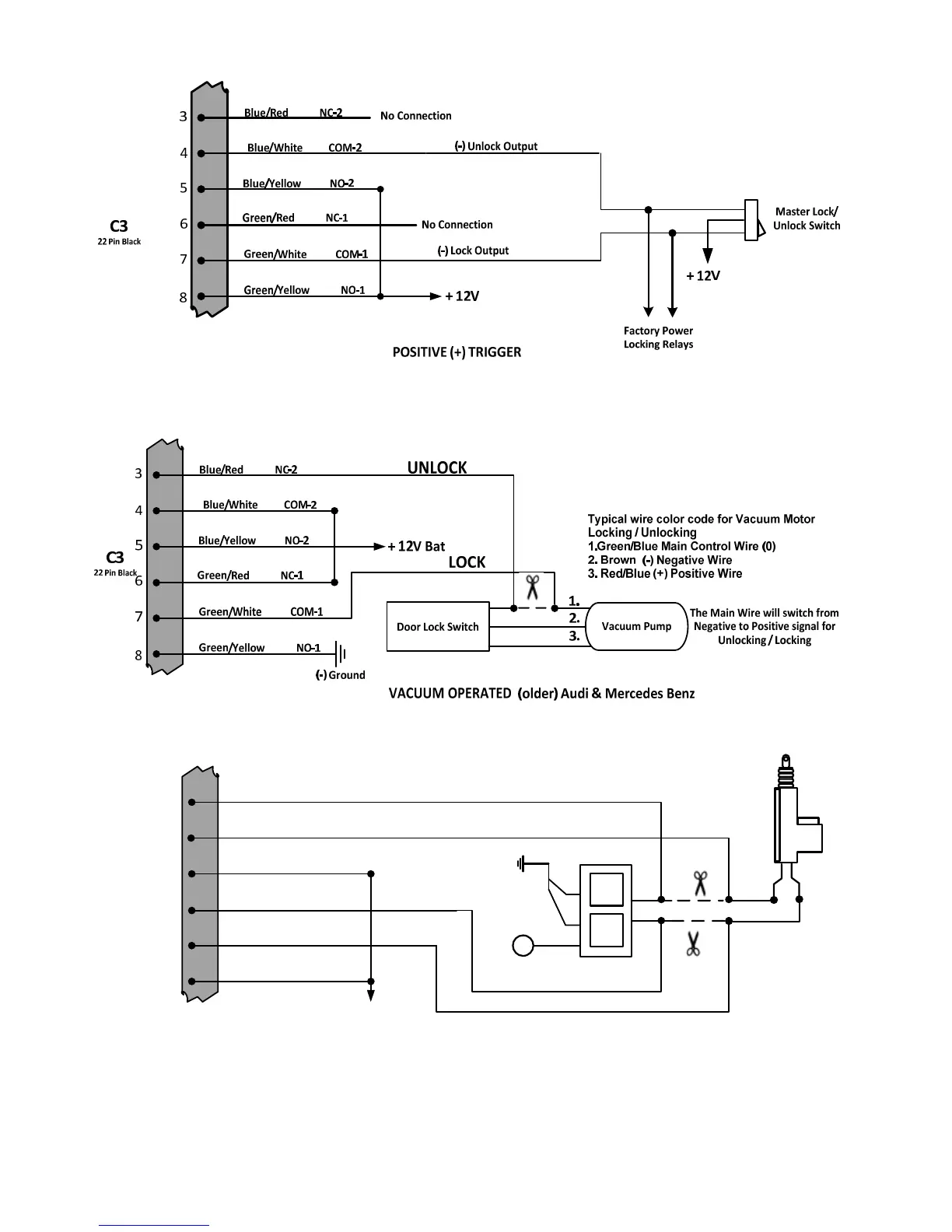
V54RS
Figure
4
Figure
5
Reverse Polarity
UL
L
+
C
3
22
Pin Black
Blue
/
Red NC
-
2
Blue
/
White COM
-
2
Blue
/
Yellow NO
-
2
Green
/
Red NC
-
1
Green
/
White COM
-
1
Green
/
Yellow NO
-
1
3
4
5
6
7
8
+
12
V Bat
LOCK
UNLOCK
Figure
6