EasyManua.ls Logo

Gallo Tech GTS-3RS - Installation Instructions

Default Icon
16 pages
Print Icon
To Next Page IconTo Next Page
To Next Page IconTo Next Page
To Previous Page IconTo Previous Page
To Previous Page IconTo Previous Page
Loading...
© Copyright
Gallo Technologies
. All Right Reserved
-
10
-
0
615
1
5
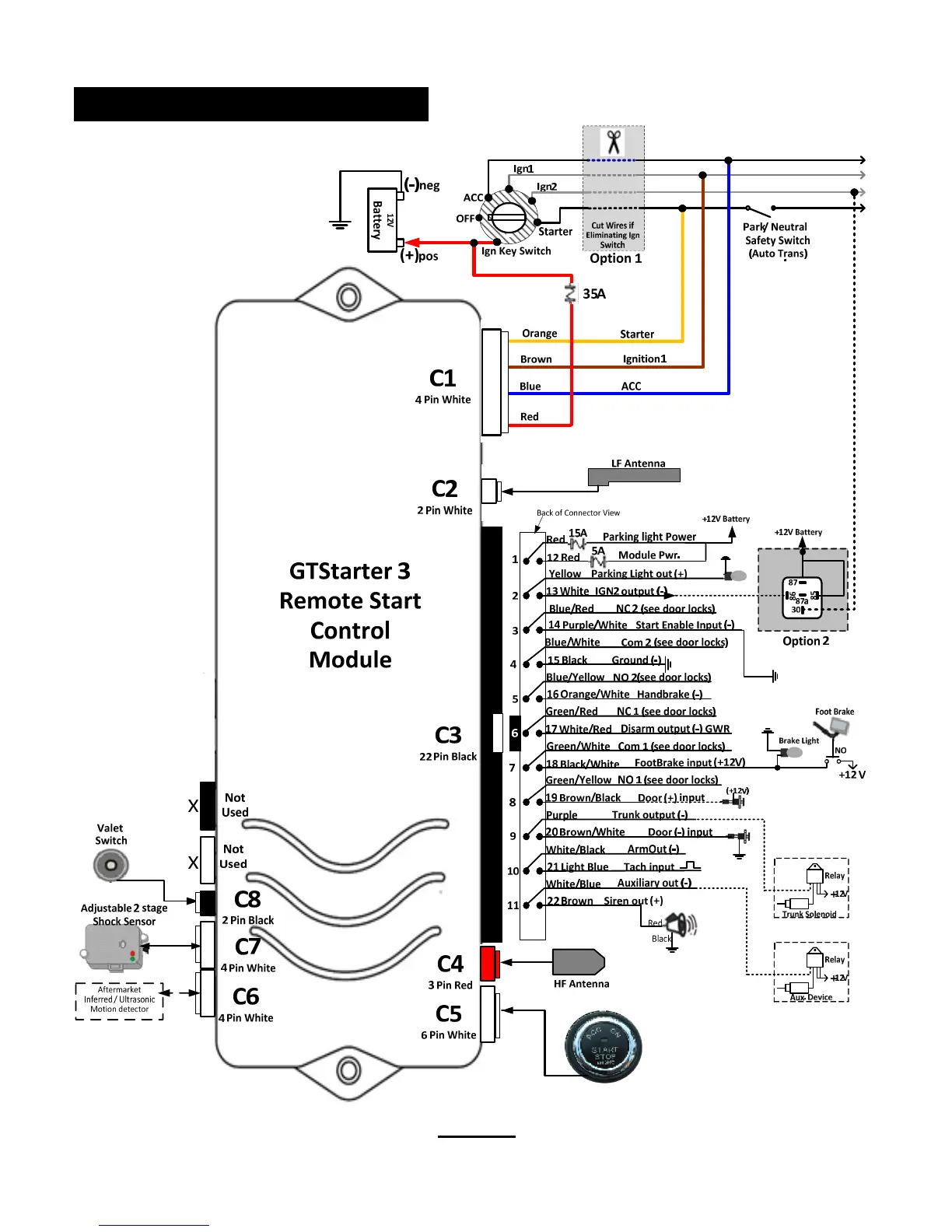
V54RS
Figure 1
1.
7
INSTALLATION INSTRUCTIONS