EasyManua.ls Logo

GE ADHB35 - De Problemas; Esquema Eléctrico

GE ADHB35
24 pages
Print Icon
To Next Page IconTo Next Page
To Next Page IconTo Next Page
To Previous Page IconTo Previous Page
To Previous Page IconTo Previous Page
Loading...
 49-5000443 Rev. 1
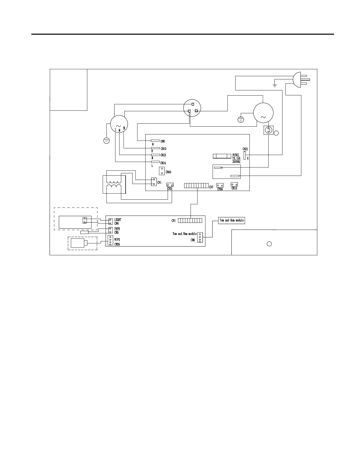
Esquema Eléctrico
ESQUEMA ELÉCTRICO
/RVHVTXHPDVHOpFWULFRVHVWiQVXMHWRVDFDPELRVVLQDYLVRSUHYLR
Por favor consulte el esquema específico en la unidad.
3DUDPRGHORV$'(//<\$'(//<
G: GREEN
BL: BLUE
BR: BROWN
B: BLACK
Y: YELLOW
W: WHITE
R: RED
NOTE
:
THE PART MAY NOT BE USED.
1 BECAUSE OF DIFFERENT COMPRESSOR
1
C
M
1
R(
0
R)
BL
M
G(Y/G)
K4
3
4
FAN
CAPACITOR
B
HERM
C
W
R
S
B
W(BL)
B(BR)
COMPRESSOR
PROTECTOR
HEAT
main board
TRANSFORMER
UI board
water full board
wifi
module

Related product manuals