EasyManua.ls Logo

GE ASH124CRDWA - E1;LED1: no Flash, E2;LED1: no Flash

GE ASH124CRDWA
80 pages
Print Icon
To Next Page IconTo Next Page
To Next Page IconTo Next Page
To Previous Page IconTo Previous Page
To Previous Page IconTo Previous Page
Loading...
Troubleshooting
REFERENCE INFORMATION
PAGE 42
ENGLISH
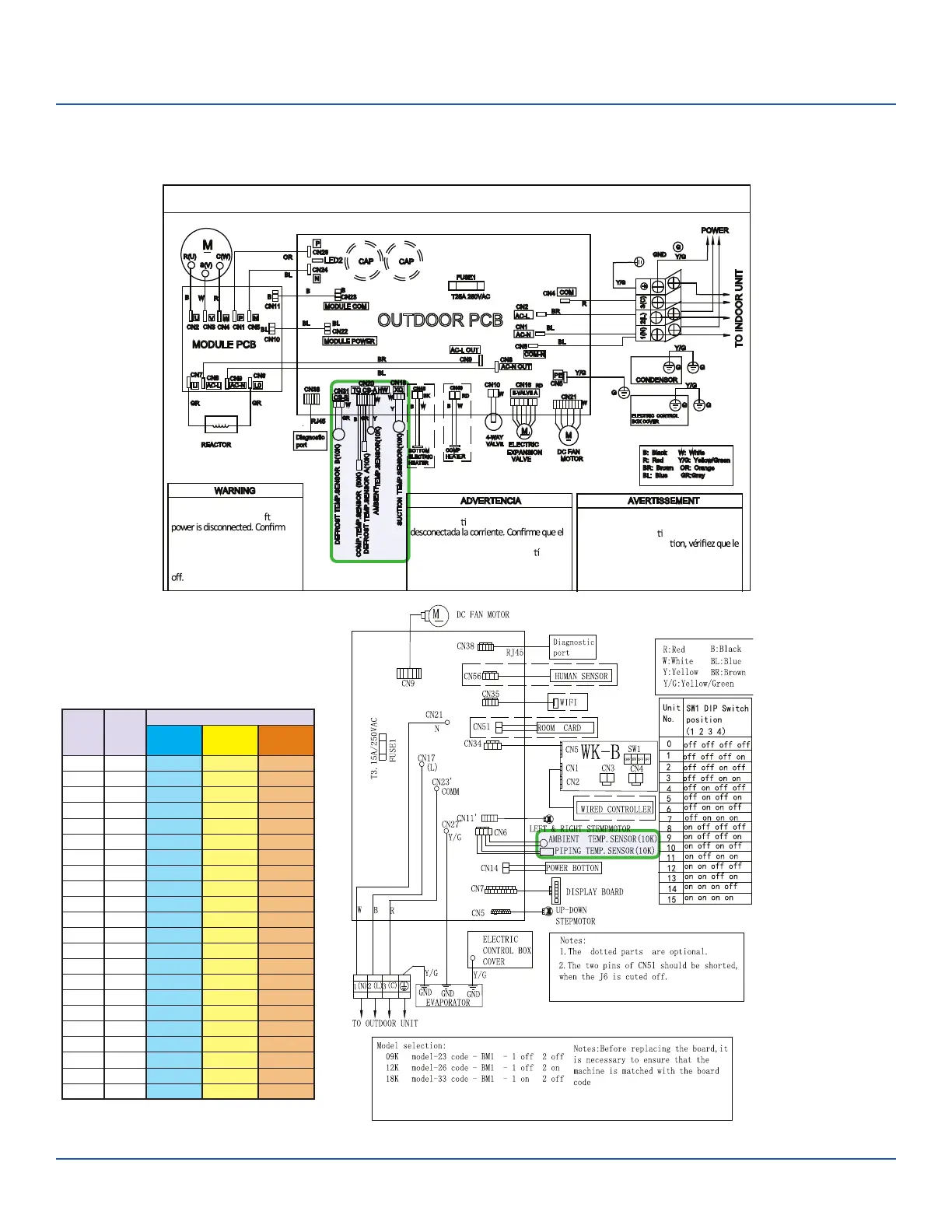
Outdoor Board Diagram
09K
12K-18K
OUTDOOR UNIT WIRING DIAGRAM
COMPRESSOR
Electrical Shock Hazard
Capacitor retains charge a
er
voltage at capacitor has dissipated
(<10V DC) with hand held voltmeter
before servicing. LED2 light
between CN24 and CN26 should be
Riesgo de Descarga Eléctrica
El capacitor re
ene carga una vez
voltaje del capacitor se haya disipado (<10V
DC) apoyando la mano sobre el vol
metro
antes de realizar el servicio técnico. La luz
LED2 que se encuentra entre CN24 y CN26
deberá estar apagada.
Risque de choc électrique
Le condensateur conserve sa charge après la
coupure de lalimenta
on électrique. Avant
de procéder à une répara
courant au condensateur sest dissipé
(<10 VCC) à laide dun voltmètre manuel. Le
voyant LED2 entre CN24 et CN26 doit être
éteint.
0011509127A
OUTDOOR UNIT WIRING DIAGRAM
COMPRESSOR
Electrical Shock Hazard
Capacitor retains charge a
er
voltage at capacitor has dissipated
(<10V DC) with hand held voltmeter
before servicing. LED2 light
between CN24 and CN26 should be
Riesgo de Descarga Ectrica
El capacitor re
ene carga una vez
voltaje del capacitor se haya disipado (<10V
DC) apoyando la mano sobre el
vol
metro
antes de realizar el servicio técnico. La luz
LED2 que se encuentra entre CN24 y CN26
deberá estar apagada.
Risque de choc électrique
Le condensateur conserve sa charge après la
coupure de l’alimenta
on électrique. Avant
de procéder à une répara
courant au condensateur sest dissipé
(<10 VCC) à laide d’un voltmètre manuel. Le
voyant LED2 entre CN24 et CN26 doit être
éteint.
0011509127
REFERENCE INFORMATION
PAGE 43
ENGLISH
Indoor Board Diagram
VHA AW12ES2VHA AW18ES2VHA AW24ES2
Sensor Resistance Table
°F °C
Normal (KΩ
10K
SENSORS
23K
SENSORS
50K
SENSORS
-0.4 -18 75.44 235.90 5494.21
5.0 -15 64.30 196.61 4558.19
10.4 -12 54.99 164.40 3795.39
14.0 -10 49.62 146.15 3365.73
21.2 -6 40.58 115.95 2658.81
24.8 -4 36.77 103.46 2368.32
32.0 0 30.30 82.69 1887.00
35.6 2 27.55 74.07 1687.81
41.0 5 23.95 62.94 1431.28
44.6 7 21.84 56.57 1284.36
50.0 10 19.06 48.31 1094.32
55.4 13 16.68 41.40 934.94
59.0 15 15.28 37.41 843.05
64.4 18 13.42 32.22 723.41
69.8 21 11.81 27.83 622.32
75.2 24 10.42 24.11 536.65
77.0 25 10.00 23.00 511.08
80.6 27 9.21 20.95 464.05
86.0 30 8.16 18.25 402.24
89.6 32 7.54 16.67 366.13
95.0 35 6.70 14.59 318.52
100.4 38 5.97 12.79 277.70
Error Code: F6/LED1: 12 Flash, F7/LED1: 11 Flash, F21/LED1: 10 Flash, F25/LED1: 13 Flash,
E1/LED1: No Flash, E2/LED1: No Flash
Wiring Diagram Reference
ERROR CODES and Troubleshooting
PAGE 40

Table of Contents

Other manuals for GE ASH124CRDWA

Related product manuals