EasyManua.ls Logo

GE ASH124CRDWA - Error Code: E7;LED1: 15 Flash

GE ASH124CRDWA
80 pages
Print Icon
To Next Page IconTo Next Page
To Next Page IconTo Next Page
To Previous Page IconTo Previous Page
To Previous Page IconTo Previous Page
Loading...
Troubleshooting
REFERENCE INFORMATION
PAGE 43
ENGLISH
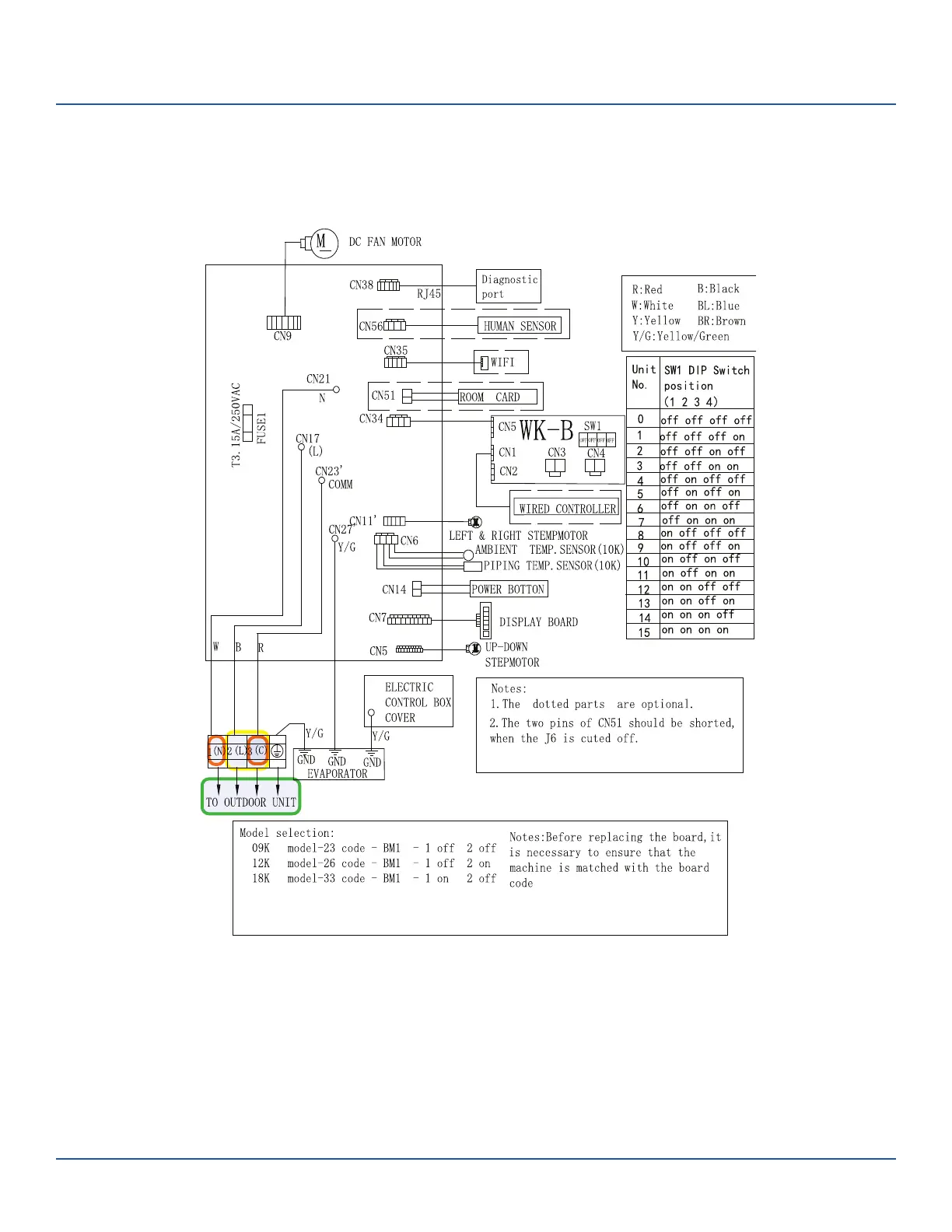
Indoor Board Diagram
VHA AW12ES2VHA AW18ES2VHA AW24ES2
Error Code: E7/LED1: 15 Flash
Wiring Diagram Reference
ERROR CODES and Troubleshooting
PAGE 49

Table of Contents

Other manuals for GE ASH124CRDWA

Related product manuals