EasyManua.ls Logo

GE ASH124CRDWA - Error Code: F8;LED1: 9 Flash

GE ASH124CRDWA
80 pages
Print Icon
To Next Page IconTo Next Page
To Next Page IconTo Next Page
To Previous Page IconTo Previous Page
To Previous Page IconTo Previous Page
Loading...
Troubleshooting
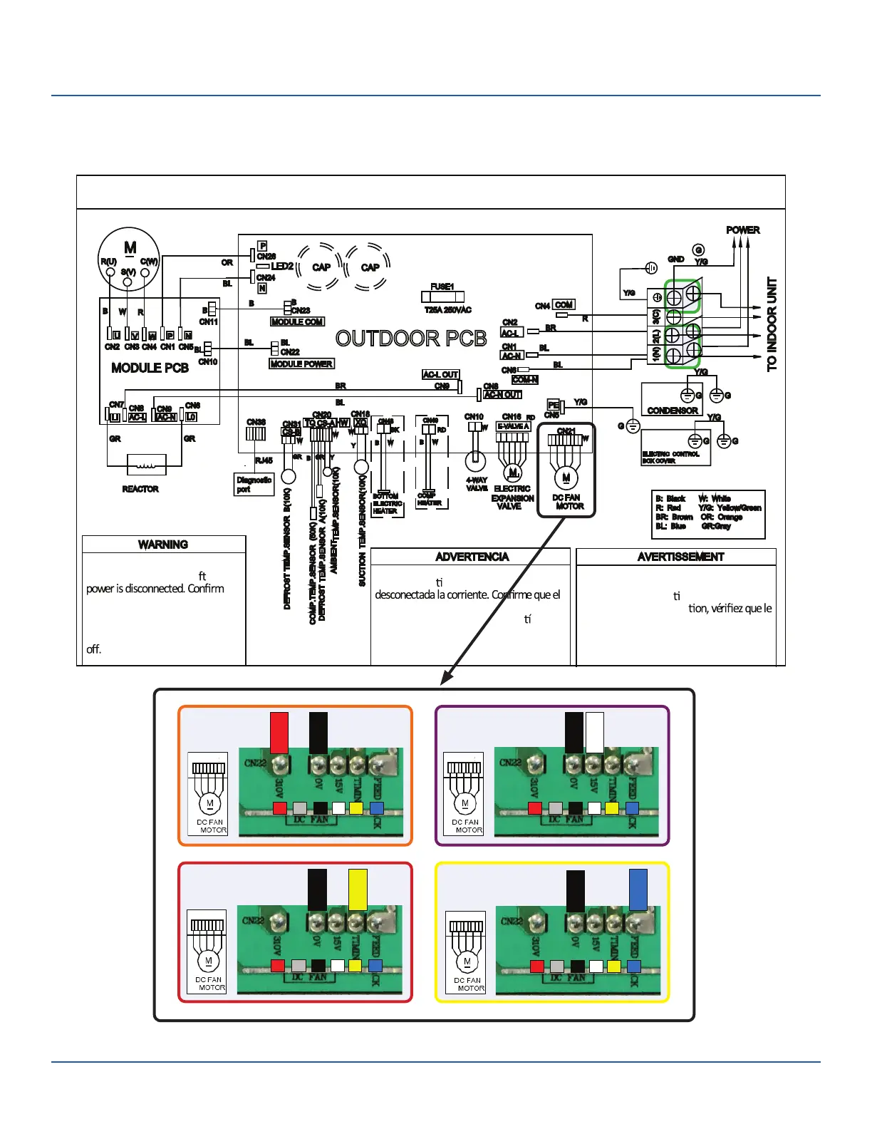
Outdoor Board Diagram
09K
12K-18K
OUTDOOR UNIT WIRING DIAGRAM
COMPRESSOR
Electrical Shock Hazard
Capacitor retains charge a
er
voltage at capacitor has dissipated
Riesgo de Descarga Eléctrica
El capacitor re
ene carga una vez
Risque de choc électrique
Le condensateur conserve sa charge après la
coupure de lalimenta
on électrique. Avant
0011509127A
OUTDOOR UNIT WIRING DIAGRAM
COMPRESSOR
Electrical Shock Hazard
Capacitor retains charge a
er
voltage at capacitor has dissipated
(<10V DC) with hand held voltmeter
before servicing. LED2 light
between CN24 and CN26 should be
Riesgo de Descarga Ectrica
El capacitor re
ene carga una vez
voltaje del capacitor se haya disipado (<10V
DC) apoyando la mano sobre el
vol
metro
antes de realizar el servicio técnico. La luz
LED2 que se encuentra entre CN24 y CN26
deberá estar apagada.
Risque de choc électrique
Le condensateur conserve sa charge après la
coupure de lalimenta
on électrique. Avant
de procéder à une répara
courant au condensateur sest dissipé
(<10 VCC) à l’aide dun voltmètre manuel. Le
voyant LED2 entre CN24 et CN26 doit être
éteint.
0011509127
Error Code: F8/LED1: 9 Flash
Wiring Diagram Reference
BLACK
BLUE
1
3
4
5
6
/
RED
BLACK
1
3
4
5
6
/
BLACK
WHITE
1
3
4
5
6
/
BLACK
YELLOW
1
3
4
5
6
/
ERROR CODES and Troubleshooting
PAGE 4
2

Table of Contents