EasyManua.ls Logo

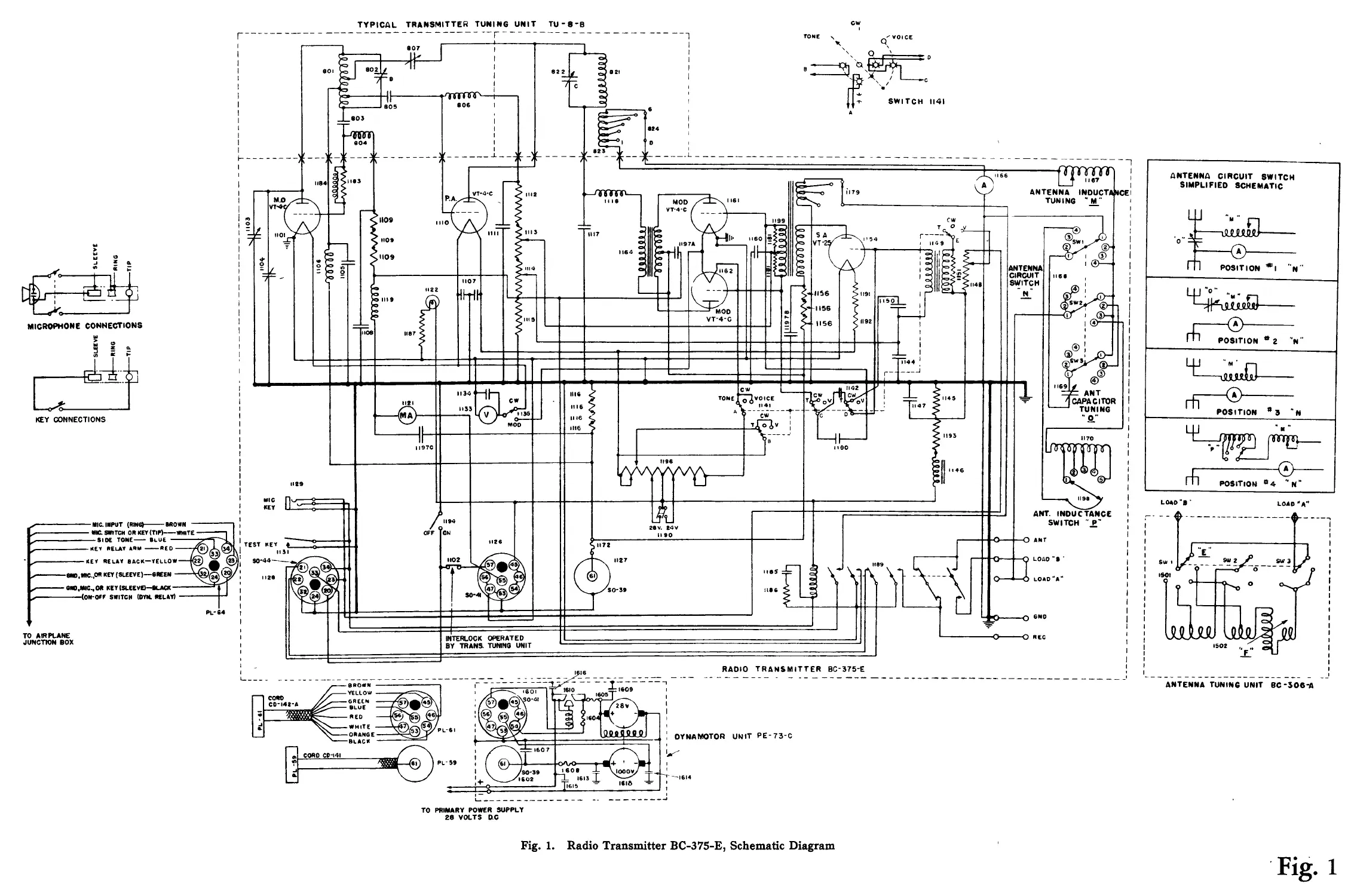
GE BC-375-E - Fig. 1. Radio Transmitter BC-375-E, Schematic Diagram

GE BC-375-E
34 pages
Print Icon
To Next Page IconTo Next Page
To Next Page IconTo Next Page
To Previous Page IconTo Previous Page
To Previous Page IconTo Previous Page
Loading...
TONE \
,
c
i• VOICE
0
s,
SWITCH 1141
807
801
Bog
B
1803
80 5
0501)
804
p1
-
7
--
c
821
82 2
814
0
3
L
_
1109
1199
1110
O
1113
1117
1101
l•
1160
1109
1197A
a
1164 a
a.
—•
1109
1114
162
1107
1122
1119
MOD
r-
VT
-
4-G
1115
1108
1187
ANTENNA
SIMPLIFIED
CIRCUIT
SWITCH
SCHEMATIC
Ill
er
0
POSITION
*
I
"N"
LE:'0
A
0
POSITION
*
2
"N"
0
POSITION
*
3
"N
-
"r "
f
--
,
...)
41
POSITION *4
"
N"
66
1183
1184
1179
a
T-4-C
1112
P.A.
M.0
VT
-
a
1161
MOD
VT
-
4
-
C
--/
61 is e
L-
11
1
1167
ANTENNA INDUCTAFNCEI
TUNING "M
"
1121
1116
1116
1116
1116
1134
1133
CW
1135
MOD
MICROPHONE CONNECTIONS
1
4
i1
cr,
KEY CONNECTIONS
7W
7,
0
v
r
114 9
.--•
la%
114 5
147
1193
114 6
ANTENNA
CIRCUIT
SWITCH
N"
ANT
CAPACITOR
TUNING
1170
S
0
1129
TONE
V
1
0
.
1
4
7
AN
CW
ToV
I
CW
SA
VT
-
1142
Ow
CW
1
54
i
o.
1197C
168
SW2
CD-
0
1169
+1156
'
--1156
1156
11191
115 0
1192
4
1148
RADIO
TRANSMITTER BC
-
375
-
E
ANTENNA TUNING UNIT BC
-
306
-
A
DYNAMOTOR
UNIT PE
-
73
-
G
BROWN
YELLOW
GREEN
BLUE
RED
WHITE
ORANGE
BLACK
KEY
KEY
/1194
NIC. INPUT 011128--MOWN
MC.SIIMTCH OR KEY(T1P)---WMTE
SIDE TONE
BLUE
KEY RELAY ARM
RED
KEY RELAY BACK—YELLOW
11010,811C.,OR KEY (SLEEVE)—GREEN
03NDONIC..OR KEY (SLEEVE)—BLACK
(ON
-
OK7 SWITCH (DYN. RELAY)
OPT
0
014
255.
119 0
0
1126
1
1172
TEST KEY
1131
1127
1189
(IBS y
1128
SO-39
186
PL
-
64
1198
ANT. INDUCTANCE
SWITCH "
P'
0 ANT
LOAD "8 '
O
LOAD '
.
11"
0
6N
°
0 NEC
INTERLOCK OPERATED
BY TRANS. TUNING UNIT
V
TO AIRPLANE
JUNCTION BOX
TYPICAL TRANSMITTER TUNING UNIT TU
-
8
-
8
CW
TO PRIMARY POWER SUPPLY
28 VOLTS DC
Fig. 1. Radio Transmitter BC-375-E, Schematic Diagram
Fig. 1

Related product manuals