EasyManua.ls Logo

GE JB750 - Oven Controls

GE JB750
20 pages
Print Icon
To Next Page IconTo Next Page
To Next Page IconTo Next Page
To Previous Page IconTo Previous Page
To Previous Page IconTo Previous Page
Loading...
14 49-80763-2
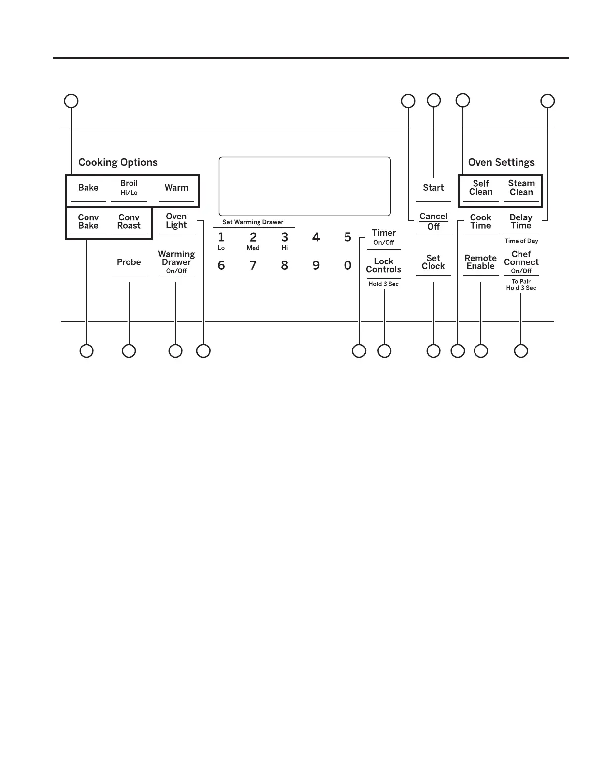
Oven Controls
USING THE RANGE: Oven Controls
259
34
1 687
10 111213 14 15

Other manuals for GE JB750

Related product manuals