EasyManua.ls Logo

GE PROFILE PGS960 - Oven Control Overview

GE PROFILE PGS960
64 pages
Print Icon
To Next Page IconTo Next Page
To Next Page IconTo Next Page
To Previous Page IconTo Previous Page
To Previous Page IconTo Previous Page
Loading...
49-85242 Rev. 2 
USING THE RANGE: Oven Controls
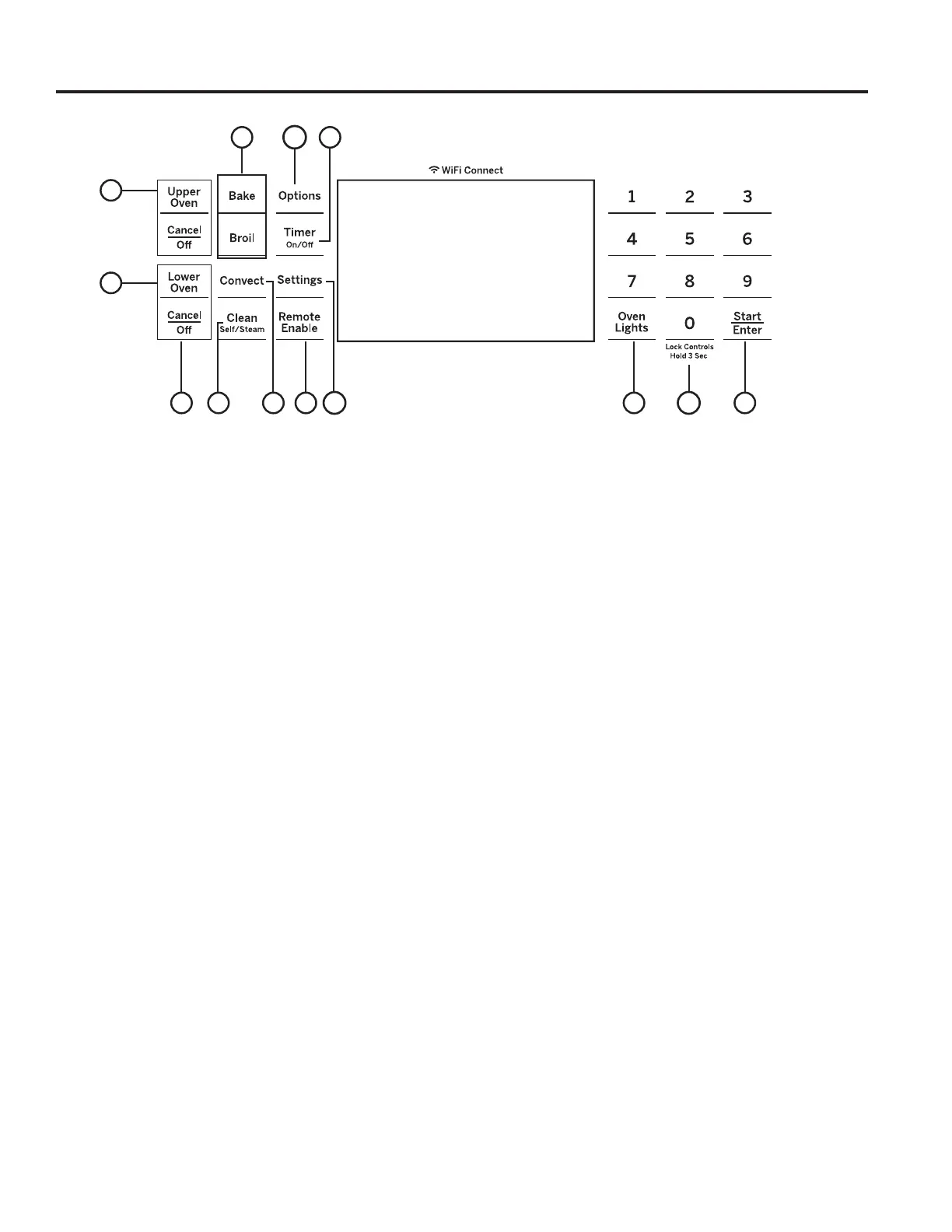
Oven Controls
1. Upper Oven and Lower Oven:
Designates which oven the controls will operate.
Select an oven before following the steps for
starting a cooking or cleaning mode.
2. Convection Cooking Modes: Convection
cooking modes use increased air circulation to
improve performance. See the Cooking Modes
section for more information.
3. Traditional Cooking Modes: Your oven
has the following traditional cooking modes: Bake,
Broil, and Warm. See the Cooking Modes section
for more information.
4. Clean: Your oven has two cleaning modes: Self
Clean and Steam Clean. See the Cleaning the
Oven section for important information about using
these modes.
5. Start: Must be pressed to start any cooking,
cleaning, or timed function. Also used to start the
Warming Zone on the cooktop.
6. Cancel/Off: Cancels ALL oven operations
except the clock and timer. Does NOT cancel the
Warming Zone on the cooktop.
7. Timer: :RUNVDVDFRXQWGRZQWLPHU3UHVVWKH
Timer pad and number pads to program the time in
KRXUVDQGPLQXWHV3UHVVWKHStart pad. The timer
countdown is complete. To turn the timer off press
the Timer pad.
8. Remote Enable: Allows you to control your
oven remotely. The oven must be connected to
WiFi before Remote Enable can be activated. For
instructions on how to connect your oven, see
WKH:L)L&RQQHFW5HPRWH(QDEOHVHFWLRQXQGHU
Settings in this manual.
9. Oven Light (on some models): Turns
the oven light on or off. If your oven control does not
have an Oven Light touch pad, there is a knob that
turns on the oven light.
10. Lock Controls: Locks out the control so that
pressing the pads does not activate the controls.
3UHVVDQGKROGWKH 0 pad, for three seconds to lock
or unlock the control. Cancel/Off is always active,
even when the control is locked.
11. Options and Settings: The Options and
Settings pads open up more detailed menus in the
display that allow access to additional functions and
cooking modes. For each you select the function in
the display using the associated number pad. You
can exit at any time by pressing the Options or
Settings pad again. See the Settings, Options, and
Cooking Modes Sections for more details.
59
1011
68
3
11
7
1
1
24
RQVRPH
PRGHOV

Related product manuals