EasyManua.ls Logo

GE PROFILE PGS960 - Controles del Horno

GE PROFILE PGS960
64 pages
Print Icon
To Next Page IconTo Next Page
To Next Page IconTo Next Page
To Previous Page IconTo Previous Page
To Previous Page IconTo Previous Page
Loading...
49-85242 Rev. 2 11
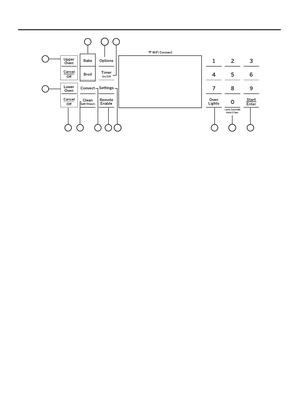
Controles del Horno
USO DE LA COCINA: Controles del Horno
1. Upper Oven and Lower Oven (Horno
Superior y Horno Inferior): Designa qué horno
operarán los controles. Seleccione un horno antes de
seguir los pasos para comenzar con una cocción o con el
modo de limpieza.
2. Convection Cooking Modes (Modos de
Cocción por Convección): Los modos de
cocción por convección utilizan una circulación de aire
incrementada para mejorar el rendimiento. Para más
información, consulte la sección de Modos de Cocción.
3. Traditional Cooking Modes (Modos de
Cocción Tradicionales): Su horno cuenta con
ORVVLJXLHQWHVPRGRVGHFRFFLyQWUDGLFLRQDOHV%DNH
+RUQHDU%URLO$VDUDQG:DUP&DOHQWDULQIRUPDFLyQ
consulte la sección de Modos de Cocción.
4. Clean (Limpieza): El horno podrá contar con dos
PRGRVGHOLPSLH]D6HOI&OHDQ/LPSLH]D$XWRPiWLFD
\6WHDP&OHDQ/LPSLH]DDO9DSRU3DUDDFFHGHUD
información importante sobre el uso de estos modos,
consulte la sección de Limpieza del Horno.
5. Start (Iniciar): Se deberá presionar para comenzar
cualquier función de cocción, limpieza o por tiempo.
6. Cancel/Off (Cancelar/ Apagar): Cancelar
TODAS las operaciones del horno excepto el reloj y el
temporizador.
7. Timer (Temporizador): Funciona como un
temporizador con cuenta regresiva. Presione la tecla
Timer (Temporizador) y las teclas +- para programar
el tiempo en horas y minutos. Presione la tecla Start
(Iniciar). La cuenta regresiva del temporizador se
completó. Para apagar el temporizador, presione la tecla
Timer (Temporizador).
8. Remote Enable (Acceso Remoto) (en
algunos modelos): Le permite controlar el horno
de forma remota. El horno deberá estar conectado a la
UHG:L)LDQWHVGHTXH5HPRWH(QDEOH$FFHVR5HPRWR
sea activado. Para acceder a instrucciones sobre cómo
FRQHFWDUHOKRUQRFRQVXOWHODVHFFLyQ:L)L&RQQHFW
5HPRWH(QDEOH:L)L&RQQHFW&RQH[LyQ5HPRWDHQOD
sección de Configuraciones de este manual.
9. Oven Light(s) (Luz(es) del Horno)
(en algunos modelos): Enciende o apaga la
OX]HVGHOKRUQR6LHOFRQWUROGHVXKRUQRQRFXHQWD
FRQODWHFODWiFWLO2YHQ/LJKW/X]GHO+RUQRXQDSHULOOD
encenderá la luz del horno.
10. Lock Controls (Controles de Bloqueo):
%ORTXHDQHOFRQWUROGHPRGRTXHDOSUHVLRQDUODVWHFODV
no se activen los controles. Mantenga presionada la Lock
Controls (Controles de Bloqueo) durante tres segundos
para bloquear o desbloquear el control. Cancel/Off
(Cancelar/ Apagar) siempre está activa, incluso cuando
el control está bloqueado.
11. Options and Settings (Opciones y
Configuraciones): /DVWHFODV2SWLRQV2SFLRQHV
\6HWWLQJV&RQILJXUDFLRQHVDEUHQPHQ~VPiVGHWDOODGRV
en la pantalla, los cuales permiten acceso a funciones
adicionales y modos de cocción. Para cada uno,
seleccione la función en la pantalla a través de la tecla
numérica asociada. Puede salir en cualquier momento
SUHVLRQDQGRODWHFOD2SWLRQV2SFLRQHVR6HWWLQJV
&RQILJXUDFLRQHVQXHYDPHQWH3DUDPiVGHWDOOHV
consulte las secciones de Configuraciones, Opciones y
Modos de Cocción.
59
1011
68
3
11
7
1
1
24
HQDOJXQRV
PRGHORV

Related product manuals