EasyManua.ls Logo

Generac Power Systems PowerPact G0065201

Generac Power Systems PowerPact G0065201
208 pages
To Next Page IconTo Next Page
To Next Page IconTo Next Page
To Previous Page IconTo Previous Page
To Previous Page IconTo Previous Page
Loading...
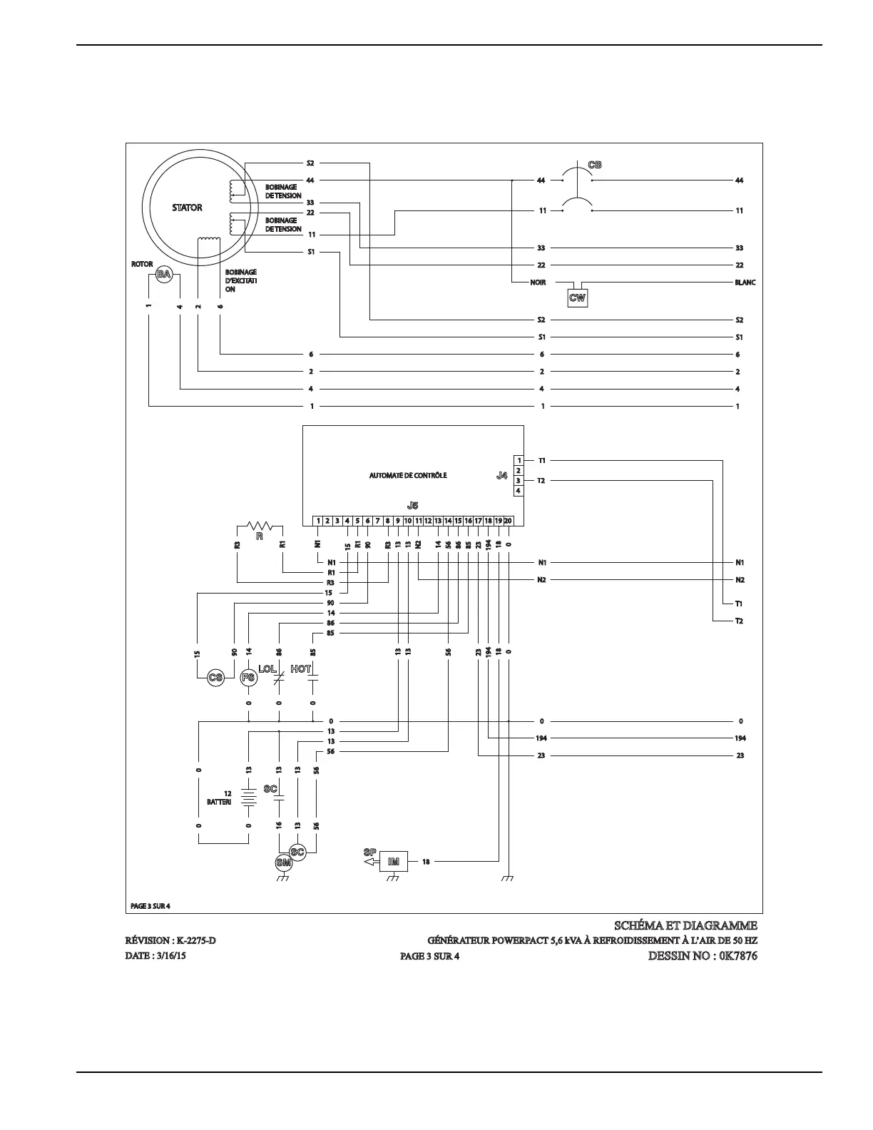
Diagrammes
Directives d’installation des générateurs PowerPact
MC
de 50 H 45
Dessin no 0K7876 Rév. D page 3
SC
PAGE3 SUR 4
0
SM
0
16
56
13
SP
IM
18
15
HOT
12
BATTERI
0
SC
13
13
86
14
15
90
CS FS
0
0
LOL
56
13
56
13
13
0
13
13
850
86
85
90
14
18
194
23
56
0
R
R3
R1
3
J4
J5
10
13
N1
R1
R3
N1
15
R1
90
13
R3
1 3 42 6 75 98
85
14
N2
86
56
23
194
0
18
16131211 1514 1817 19 20
4
AUTOMATE DE CONTRÔLE
1
2
4
1
2
194
23
0
194
23
0
T2
T1
T2
N1
N2
N1
N2
T1
1
2
4
1
2
4
BOBINAGE
DE TENSION
4
1
BA
ROTOR
6
2
BOBINAGE
D’EXCITATI
ON
STATOR
S1
6
11
33
22
S2
44
33
33
S1
6
S2
22
S1
6
S2
22
11
44
CB
11
44
BLANC
NOIR
CW
BOBINAGE
DE TENSION
PAGE 3 SUR 4
SCHÉMA ET DIAGRAMME
GÉNÉRATEUR POWERPACT 5,6 kVA À REFROIDISSEMENT À L’AIR DE 50 HZ
DESSIN NO : 0K7876
RÉVISION : K-2275-D
DATE : 3/16/15
001204

Table of Contents

Related product manuals