EasyManua.ls Logo

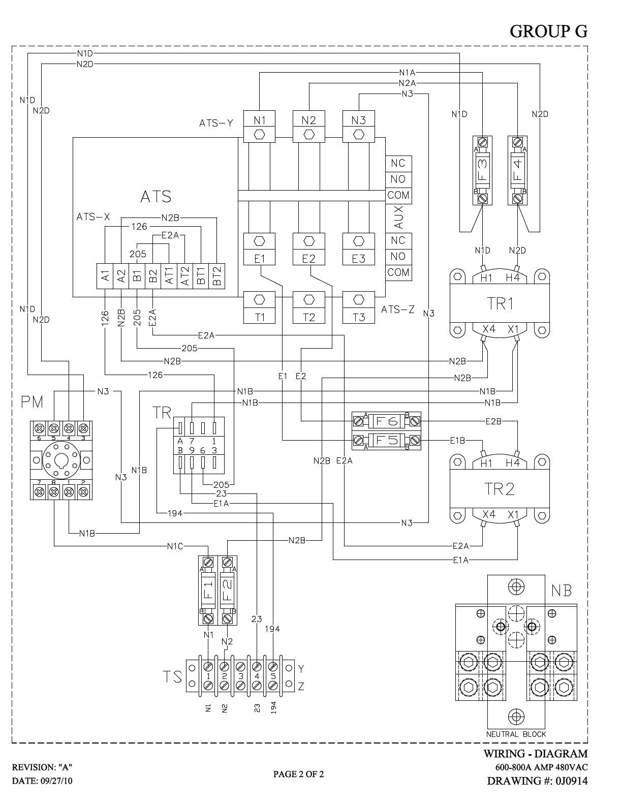
Generac Power Systems RTS Series - Wiring Diagram (600-800 A 480 VAC)

Generac Power Systems RTS Series
30 pages
Print Icon
To Next Page IconTo Next Page
To Next Page IconTo Next Page
To Previous Page IconTo Previous Page
To Previous Page IconTo Previous Page
Loading...

Related product manuals