EasyManua.ls Logo

Generac Power Systems RXUW200A3 - Interconnection Drawings (Part 1 of 2)

Generac Power Systems RXUW200A3
32 pages
Print Icon
To Next Page IconTo Next Page
To Next Page IconTo Next Page
To Previous Page IconTo Previous Page
To Previous Page IconTo Previous Page
Loading...
Drawings and Diagrams
22 Automatic Transfer Switch Owner’s Manual
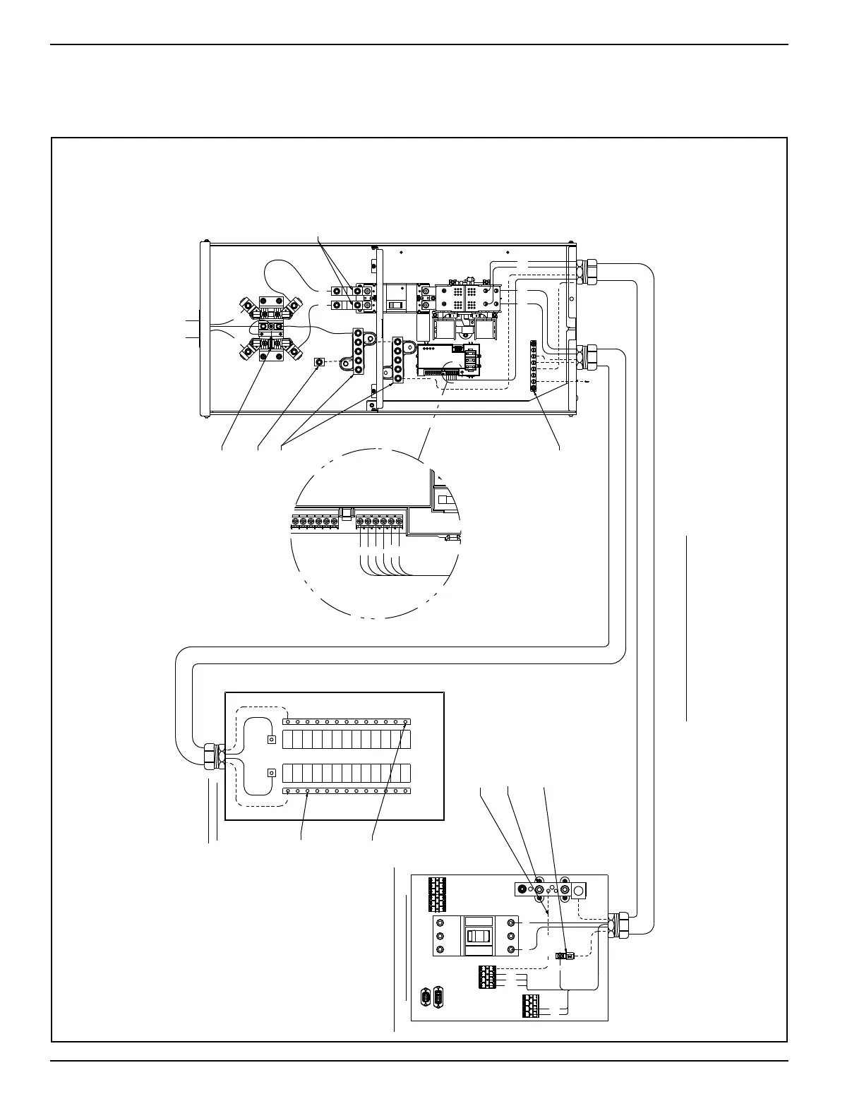
Interconnection Drawings
No. A0000258228-A (Part 1 of 2)—Liquid-Cooled Generator
194
23
N1
N2
T1
0
23 TRANSFER
194 +12V
0 GROUND
N2
N1
T1
2
1
2
1
2
A/C 4
A/C 3
N2 N1
NOTE: INSTALLATION MUST MEET ALL
NATIONAL, STATE, AND LOCAL
ELECTRIC CODES.
N1
N2
N1
N2
T1 T2 E1 E2
UTILITY SUPPLY
ELECTRODE
TO GROUNDING
GROUND CONNECTION
NEUTRAL CONNECTION
OPTIONAL
5TH JAW KIT
SOLAR
CONNECTION
NEUTRAL BOND
DISTRIBUTION PANEL
(CUSTOMER LOAD)
SERVICE ENTRANCE SWITCH INTERCONNECT
NOTE:
NUMBERS TO
TERMINAL NUMBERS
MATCH WIRE
GROUND BAR
NEUTRAL BAR
E1 E2
NEUTRAL
CUSTOMER SUPPLIED
NEUTRAL WIRE
NEU
N2
T1/LINE
N1
194194
183
178
2323
0
N2
N1
T1
NEUT
GROUND
CONNECTION PANEL
QT SERIES ENGINE GENERATOR
ON

Table of Contents

Related product manuals