EasyManua.ls Logo

Giersch RG30 - Establishing Electrical Connections

Giersch RG30
32 pages
Print Icon
To Next Page IconTo Next Page
To Next Page IconTo Next Page
To Previous Page IconTo Previous Page
To Previous Page IconTo Previous Page
Loading...
6
E.04.99 • G. 13.11.07
Installation
Establishing electrical connections
Disconnect system from power supply. Main switch “OFF”.
Check polarity of all connectors.
Wire connector unit in accordance with connection diagram. Lay flexible control line so that boiler door
can still be swivelled.
Attach cube connector connected to 7-pin black-green connector X21 to gas pressure monitor con-
nector A (grey) and to solenoid valves B1 (black), and secure with screw.
Attach 7-pin black-green connector to compact gas unit (X21 & X22).
Attach 4-pin connector unit for power control (X31) to black-green socket unit on burner (X32).
Check correct pinout according to connection diagram, if connector unit X11 and X31 wired.
Attach 7-pin connector unit for boiler control (X11) to black-brown socket unit on burner (X12).
Supply lead to 7-pin connector unit X11 must be protected with a min. 6.3 A slow-blowing or
max. 10 A quick-blowing fuse.
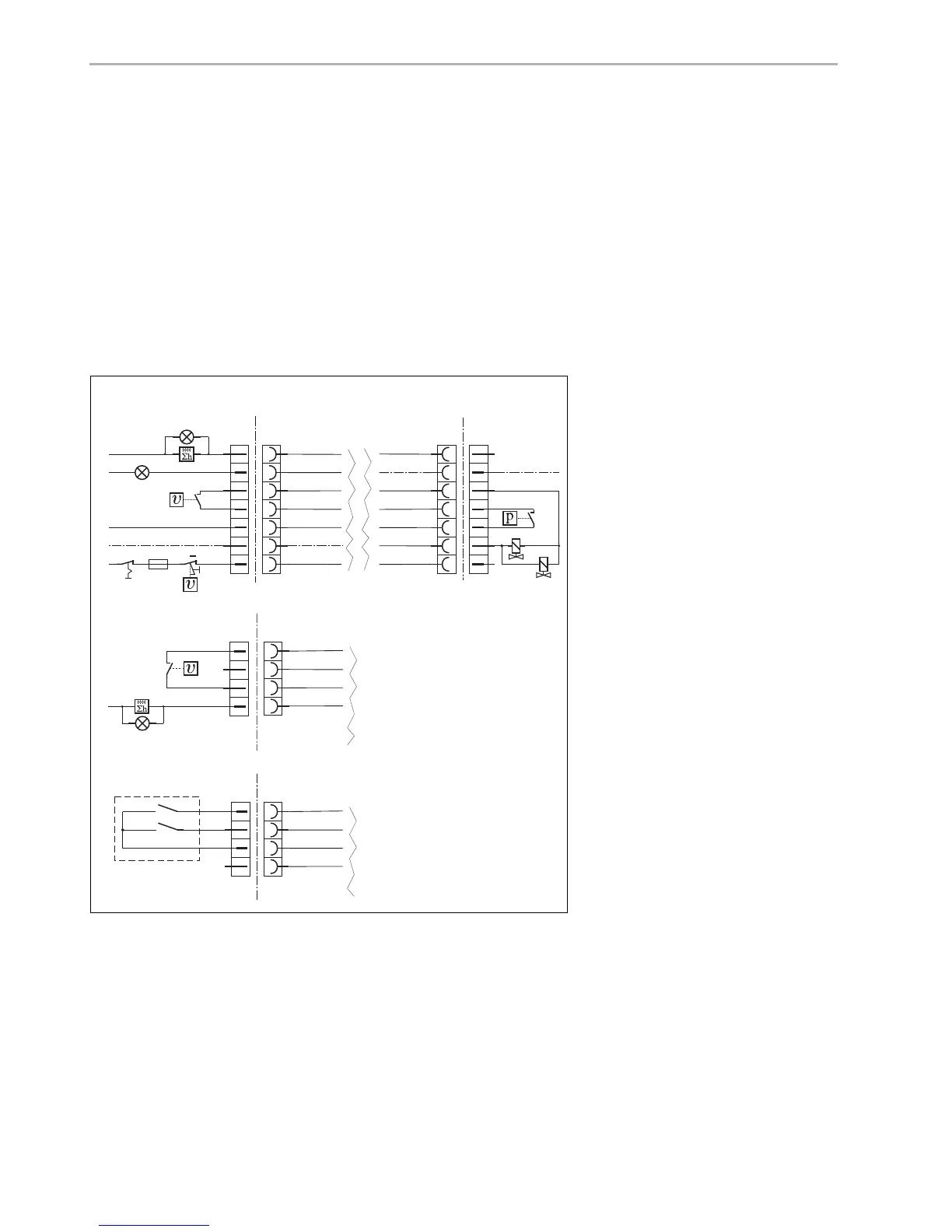
Connection diagram
T8
T7
T6
B5
X31
X32
zu
auf
Connection for RG 20/30-M-L
Y9
connector unit X31,X11
boiler control
socket unit X32,X12
on burner
T8
T7
T6
B5
X32
N
F22
P12
X31
Connection for RG 20/30-Z-L
H12
connector unit X31,X11
boiler control
socket unit X32,X12
on burner
L1
PE
N
B5
T6
T7
T8
F51
Y1
Y3
B4
S3
T2
T1
N
PE
L1
N
PE
L1
N
N
F1
F3
F21
H11
P11
H13
Q1
X11
X12
connector unit X31,X11
boiler control
socket unit X32,X12
on burner
socket unit X22
on burner
connector unit X21
compact unit
Key:
F1 External fuse
F21, F22 Ext. temp. controller,
1st/2nd stages
F3 Ext. safety thermal cutout
F51 Gas pressure monitor
Q1 Main heating switch
H11,H12 Ext. pilot lamp
H13 Ext. fault signal lamp
L1 Phase
PE Earth conductor
P11,P12 Time meter
Y1,Y2 Solenoid valve
Y3 Safety solenoid valve
Y9 External controller