EasyManua.ls Logo

Globalstar ST150 - Reference Circuitry; PCB Guidelines; Module Dimensions; Figure 6 - Module Dimensions

Globalstar ST150
73 pages
Print Icon
To Next Page IconTo Next Page
To Next Page IconTo Next Page
To Previous Page IconTo Previous Page
To Previous Page IconTo Previous Page
Loading...
9150-0125-01 R-4
ST150M User Manual
Confidential & Proprietary Information
30
5.2 REFERENCE CIRCUITRY
5.2.1 PCB Guidelines
OEM designs are required to follow certain guidelines with respect to the antenna configuration and layout.
Physical layout, PCB size and stack-up, component part numbers, etc. may vary. However, the following
conditions must be met in order to comply with the ST150M modular grant.
1. Total EIRP of the device shall not exceed the EIRP limitation listed on the Modular Grant. (EIRP: 24.70 dBm)
2. Globalstar will manufacture the ST150M with a default conducted output power which allows up to a +5.1
dBi antenna gain (+10% tolerance) before reaching the max EIRP limitation.
3. Globalstar will review all module embedded designs and ensure tuning meets Globalstar’s Network
specifications without exceeding grant limitations.
4. The antenna used must be a patch antenna.
5. The antenna must be passively connected to the RF output of the ST150M using a 50-ohm nominal
impedance printed circuit trace. No connectors are allowed on the antenna connection.
If any of the above conditions are not met, the OEM device must be submitted for FCC Part 25 testing (and any
additional certification testing required in the intended geographical service area).
In addition, it is strongly recommended that the OEM design include ESD protection circuitry. The circuit
should provide a DC blocking capacitor as well as a shunt inductor to short any static discharge from the
antenna to ground.
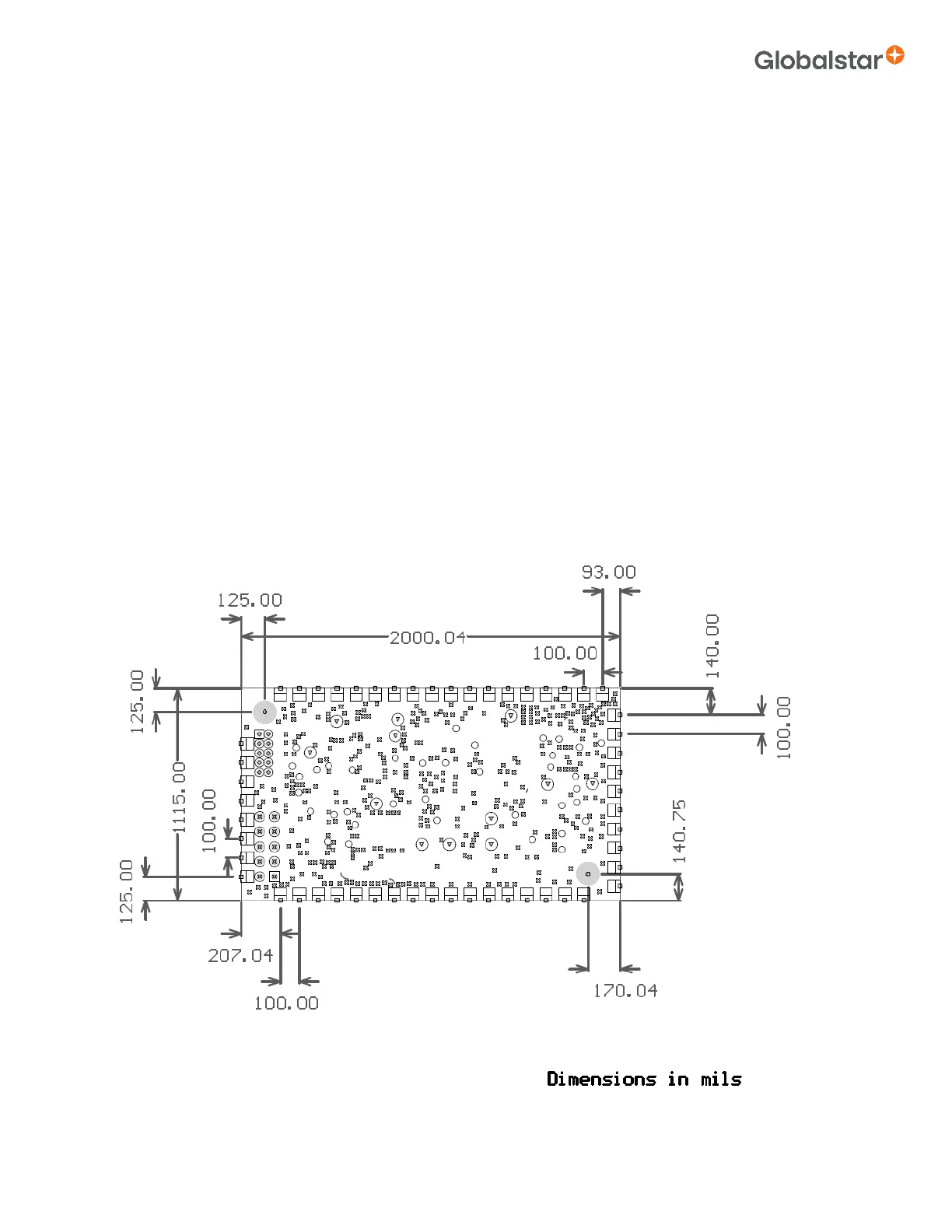
5.2.2 Module Dimensions
FIGURE 6 MODULE DIMENSIONS

Table of Contents

Related product manuals