EasyManua.ls Logo

Globe SP20 - Page 46

Globe SP20
101 pages
Print Icon
To Next Page IconTo Next Page
To Next Page IconTo Next Page
To Previous Page IconTo Previous Page
To Previous Page IconTo Previous Page
Loading...
12
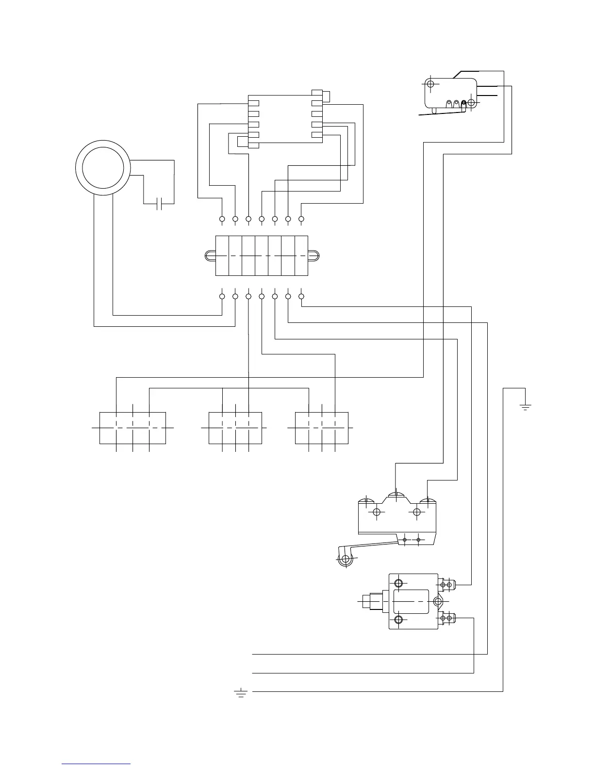
SP25 WIRING DIAGRAM - 120V SINGLE PHASE
0
7 7


2.
:
$
$
7
7
7
7
/
1
/
/
/
/
/
$
1
*5
+302725
&217$&725
2))6:,7&+ 216:,7&+
,17(5/2&.0,&526:,7&+
+2,670,&526:,7&+
&,5&8,7%5($.(5
*5
/
/
32:(56833/<
32:(56833/<
*5281'
7,0(5
M)
9$&
&

Other manuals for Globe SP20

Related product manuals