EasyManua.ls Logo

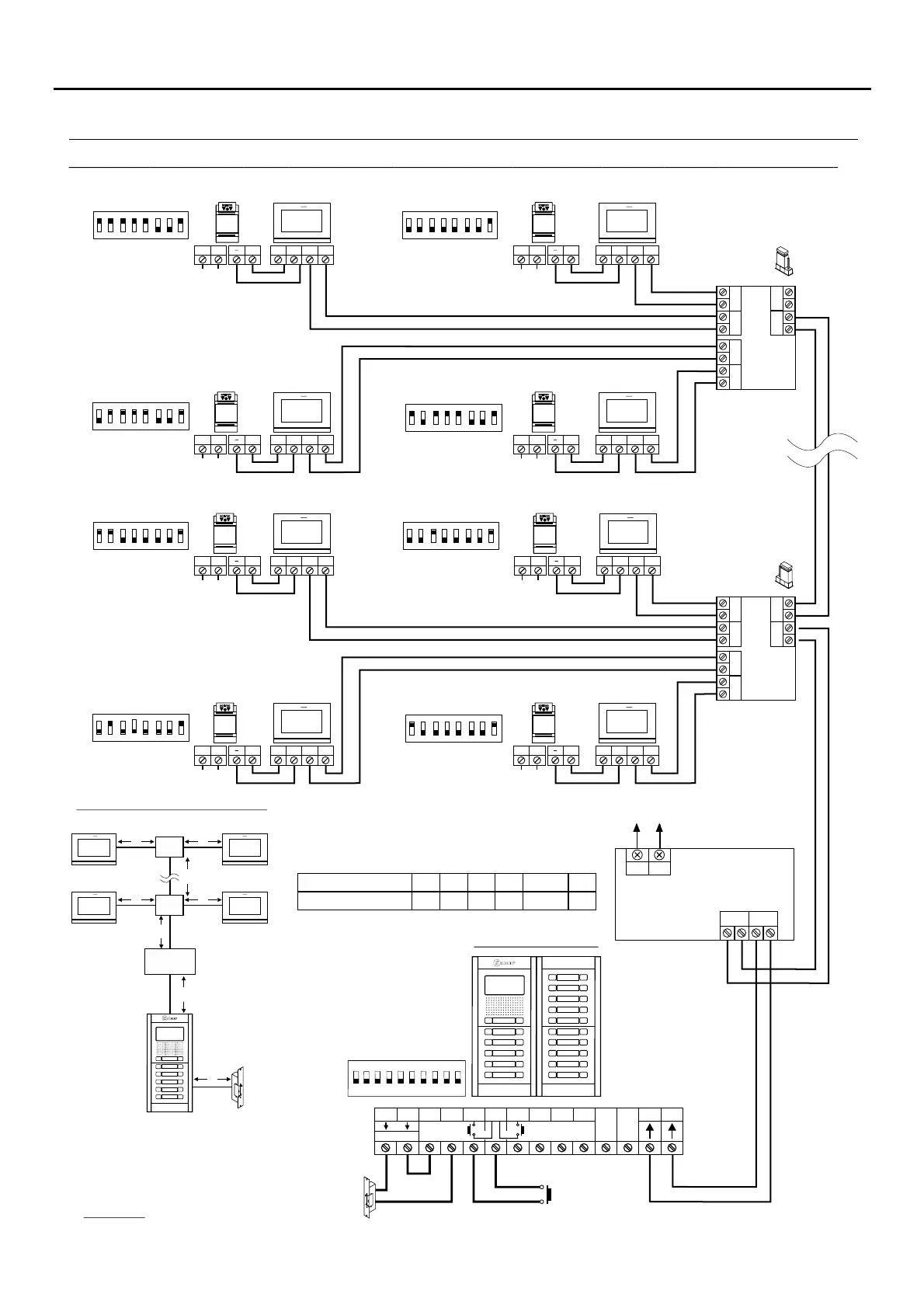
golmar Nexa Modular G2+ - WIRING DIAGRAMS; Video door entry system with 32 ART 7 W;G2+ monitors, 8 D4 L-G2+ distributors and Golmar d.c lock release.

golmar Nexa Modular G2+
60 pages
Print Icon
To Next Page IconTo Next Page
To Next Page IconTo Next Page
To Previous Page IconTo Previous Page
To Previous Page IconTo Previous Page
Loading...
42
Video door with 3 7W G tors and d.c lock releaseentry system 2 ART /G2+ monitors, 8 D4L- 2+ distribu Golmar .
Configur the end of line in
the last monitor.
e
Dip 8 to ON.
BUS
BUS
BUS BUS
D4
D3
D2
D1
D4L- 2+G
APARTMENT 31
Set to ON the end of line in
the last distributor.
AP
(1)
(1)
Important:
page )52 .
For a.c. lock release or a second lock release, see(
For more information of the ART 7W G2+ monitor, see the quick guide that is attached with its corresponding product.
(1)
**
( )
**
( )2 ( )
( )2
*
( )
ON
1 2 3 4 5 6 7
8
APARTMENT 32
**
( )2 ( )
ON
1 2 3 4 5 6 7
8
APARTMENT 30
**
( )2 ( )
ON
1 2 3 4 5 6 7
8
APARTMENT 29
**
( )2 ( )
ON
1 2 3 4 5 6 7
8
NA2
+
AP-
C1
NA1
AP+
C2
AP+
GND
BUSBUS
Relé 2Relé 1
_
12Vdc
NC2
CCTV
End of
inel
ON
OFF
End of
inel
*
( )
Distances and cross-sections:
D -G24L +
A
D
B
D
E
ART 7W/G2+
FA-G2+
ART 7W/G2+
100~240Vac
Mains
BUS (M) BUS(PL)
FA-G2+
LN
D D
ART 7W/G2+ ART 7W/G2+
ART 7W/G2+
Master
BUS BUS24V GND
+
N L
FA-ART 7W
ART 7W/G2+
Master
BUS BUS24V GND
100~240Va
Mains
c
+
N L
FA-ART 7W
ART 7W/G2+
Master
BUS BUS24V GND
+
N L
FA-ART 7W
ART 7W/G2+
Master
BUS BUS24V GND
+
N L
FA-ART 7W
BUS
BUS
BUS BUS
D4
D3
D2
D1
D4L- 2+G
APARTMENT 3
**
( )2 ( )
ON
1 2 3 4 5 6 7
8
APARTMENT 4
**
( )2 ( )
ON
1 2 3 4 5 6 7
8
APARTMENT 2
**
( )2 ( )
ON
1 2 3 4 5 6 7
8
APARTMENT 1
**
( )2 ( )
ON
1 2 3 4 5 6 7
8
ART 7W/G2+
Master
BUS BUS24V GND
+
N L
FA-ART 7W
ART 7W/G2+
Master
BUS BUS24V GND
+
N L
FA-ART 7W
ART 7W/G2+
Master
BUS BUS24V GND
+
N L
FA-ART 7W
ART 7W/G2+
Master
BUS BUS24V GND
+
N L
FA-ART 7W
100~240Va
Mains
c
100~240Va
Mains
c
100~240Va
Mains
c
100~240Va
Mains
c
100~240Va
Mains
c
100~240Va
Mains
c
100~240Va
Mains
c
Access door panel
1 2 3 4 5 6 7 8 910
ON
C
ART 7W/G2+ monitor with WiFi activated (only the master monitor of each apartment) FA-ART 7W .power supply unit required
(3)
(3)(3)
(3)(3)
(3)(3)
(3)(3)
A B C
80m 80m 80m
Cable
D
30m
B+C+D
190m
E
15m
RAP-GTWIN/HF 2x1mm
2
WIRING DIAGRAMS
Lock release
a dm x. 12 V c/270mA.
NEXA MODULAR G2+ AUDIO AND VIDEO DOOR ENTRY SYSTEM - BUILDING

Table of Contents

Other manuals for golmar Nexa Modular G2+

Related product manuals