EasyManua.ls Logo

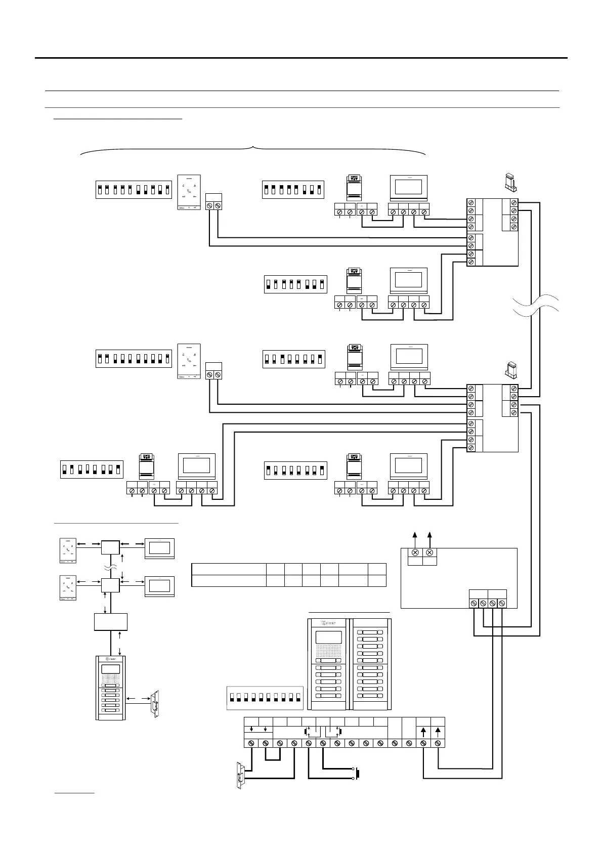
golmar Nexa Modular G2+ - WIRING DIAGRAMS; Mixed installation: Up to 32 elements (ART 7 W;G2+ monitors;ART 1;G2+ audio terminals), 8 D4 L-G2+ distributors and Golmar d.c lock release.

golmar Nexa Modular G2+
60 pages
Print Icon
To Next Page IconTo Next Page
To Next Page IconTo Next Page
To Previous Page IconTo Previous Page
To Previous Page IconTo Previous Page
Loading...
44
WIRING DIAGRAMS
NEXA MODULAR G2+ AUDIO AND VIDEO DOOR ENTRY SYSTEM - BUILDING
BUS
BUS
BUS BUS
D4
D3
D2
D1
D4L- 2+G
AP
(1)
(1)
APARTMENT 31
**
( )2 ( )
ON
1 2 3 4 5 6 7
8
APARTMENT 30
**
( )2 ( )
ON
1 2 3 4 5 6 7
8
NA2
+
AP-
C1
NA1
AP+
C2
AP+
GND
BUSBUS
Relé 2Relé 1
_
12Vdc
NC2
CCTV
End of
Line
ON
OFF
End of
Line
*
( )
Distances and cross-sections:
D -G24L +
A
D
B
D
E
FA-G2+
ART 7W/G2+
Mains
100~240Vac
BUS (M) BUS(PL)
FA-G2+
LN
D D
ART 7W/G2+
ART 7W/G2+
Master
BUS BUS24V GND
+
N L
FA-ART 7W
ART 7W/G2+
Master
BUS BUS24V GND
+
N L
FA-ART 7W
BUS
BUS
BUS BUS
D4
D3
D2
D1
D4L- 2+G
APARTMENT 4
**
( )2 ( )
ON
1 2 3 4 5 6 7
8
APARTMENT 2
**
( )2 ( )
ON
1 2 3 4 5 6 7
8
APARTMENT 1
**
( )2 ( )
ON
1 2 3 4 5 6 7
8
ART 7W/G2+
Master
BUS BUS24V GND
+
N L
FA-ART 7W
ART 7W/G2+
Master
BUS BUS24V GND
+
N L
FA-ART 7W
ART 7W/G2+
Master
BUS BUS24V GND
+
N L
FA-ART 7W
Mains
100~240V ac
Mains
100~240V ac
Mains
100~240V ac
Mains
100~240V ac
Mains
100~240V ac
Access door panel
1 2 3 4 5 6 7 8 910
ON
C
(3)(3)
(3)
(3)
(3)
A B C
80m 80m 80m
Cable
D
30m
B+C+D
190m
E
15m
RAP-GTWIN/HF 2x1mm
2
Additional ART 1/G2+ terminal in the same apartment( )
ART 1/G2+
Slave 1
BUS
AUX
APARTMENT 31
**
( )2 ( )
ON
1 2 3 4 5 6 7
8 9 10
ART 1/G2+
Master
BUS
AUX
APARTMENT 3
**
( )2 ( )
ON
1 2 3 4 5 6 7
8 9 10
ART 1/G2+
AUX
ART 1/G2+
AUX
Mixed installation: Up to 32 elements (ART 7 W/G2+ monitors / ART 1/G2+ audio terminals), 8 D4L-G2+ distributors
and Golmar .d.c lock release
Configur the end of line in
the last monitor
e
Dip 8 to ON
or last terminal Dip 10 to ON.
Set to ON the end of line in
the last distributor.
**
( )
*
( )
Lock release
a dm x. 12 V c/270mA.
Important:
page )52 .
For a.c. lock release or a second lock release, see(
For more information of the ART 7W G2+ monitor, see the quick guide that is attached with its corresponding product.
(1)
( )2
ART 7W/G2+ monitor with WiFi activated (only the master monitor of each apartment) FA-ART 7W .power supply unit required
(3)

Table of Contents

Other manuals for golmar Nexa Modular G2+

Related product manuals