EasyManua.ls Logo

golmar Nexa Modular G2+ - WIRING DIAGRAMS; Video door entry system with 32 ART 7;G2+ or ART 7 LITE;G2+ monitors, 2 risers with D2 L-G2+ distributors and Golmar d.c lock release.

golmar Nexa Modular G2+
60 pages
Print Icon
To Next Page IconTo Next Page
To Next Page IconTo Next Page
To Previous Page IconTo Previous Page
To Previous Page IconTo Previous Page
Loading...
46
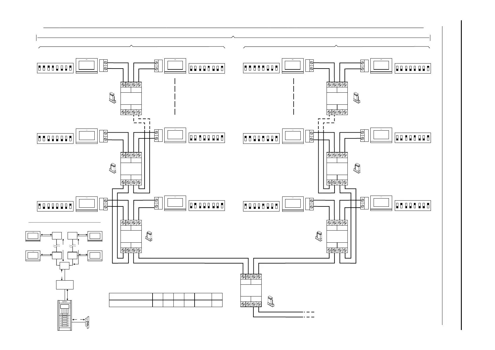
Video door with 32 ART 7/G2+ risers with 2L G distributors and Golmar d.c lock releaseentry system or ART 7 LITE/G2+ monitors, 2 D - 2+ .
BUS
BUS
BUS BUS
D2
D1
D2L- +G2
BUS
BUS
BUS BUS
D2
D1
D2L- +G2
BUS
BUS
BUS BUS
D2
D1
D2L- +G2
ON
1 2 3 4 5 6 7
8
BUS IN
APARTMENT 4
ON
1 2 3 4 5 6 7
8
**
( )
BUS
BUS
BUS BUS
D2
D1
D2L- +G2
ON
1 2 3 4 5 6 7
8
APARTMENT 3
**
( )
APARTMENT 15
**
( )
APARTMENT 16
ON
1 2 3 4 5 6 7
8
**
( )
BUS IN
End of
inel
ON
*
( )
OFF
End of
inel
OFF
End of
inel
End of
inel
ON
( )1
ART 7/G2+
Master
ART 7/G2+
Master
BUS IN
ART 7/G2+
Master
BUS IN
ART 7/G2+
Master
APARTMENT 1
ON
1 2 3 4 5 6 7
8
**
( )
BUS IN
APARTMENT 2
ON
1 2 3 4 5 6 7
8
**
( )
ART 7/G2+
Master
BUS IN
ART 7/G2+
Master
BUS
BUS
BUS BUS
D2
D1
D2L- +G2
BUS
BUS
BUS BUS
D2
D1
D2L- +G2
APARTMENT 19
ON
1 2 3 4 5 6 7
8
**
( )
BUS IN
APARTMENT 20
ON
1 2 3 4 5 6 7
8
**
( )
BUS
BUS
BUS BUS
D2
D1
D2L- +G2
APARTMENT 31
ON
1 2 3 4 5 6 7
8
**
( )
ON
1 2 3 4 5 6 7
8
APARTMENT 32
**
( )
BUS IN
End of
inel
ON
*
( )
OFF
End of
Line
ART 7/G2+
Master
ART 7/G2+
Master
BUS IN
ART 7/G2+
Master
BUS IN
ART 7/G2+
Master
APARTMENT 17
ON
1 2 3 4 5 6 7
8
**
( )
BUS IN
APARTMENT 18
ON
1 2 3 4 5 6 7
8
**
( )
ART 7/G2+
Master
BUS IN
ART 7/G2+
Master
OFF
End of
inel
Configur the end of line in
the last monitor.
e
Dip 8 to ON
Set to ON the end of line in
the last distributor.
**
( )
*
( )
Set to ON the end of line in
the tor for risersdistribu .
( )1
Distributor
for risers
Distribu 1tor
Distribu 2tor
Distribu 8tor
Distribu 9tor
Distribu 10tor
Distribu 16tor
RISER 1
BUILDING 1
RISER 2
Distances and cross-sections:
D -G22L +
A
D
B
E
ART 7/G2+
FA-G2+
ART 7/G2+
C
D -G22L +
D -G22L +
Distribu rto
for risers
D
D
D
ART 7/G2+
ART 7/G2+
C
A
B
C
80m
80m
80m
Cable
D
30m
B+C+D
130m
E
15m
RAP-GTWIN/HF 2x1mm
2
WIRING DIAGRAMS
NEXA MODULAR G2+ AUDIO AND VIDEO DOOR ENTRY SYSTEM - BUILDING
To "Bus M" of the FA-G2+ power supply (see page )49 .
Note: If more than 1 access door panel (see page 50-51).

Table of Contents

Other manuals for golmar Nexa Modular G2+

Related product manuals