EasyManua.ls Logo

golmar Stadio Plus - Page 49

golmar Stadio Plus
52 pages
Print Icon
To Next Page IconTo Next Page
To Next Page IconTo Next Page
To Previous Page IconTo Previous Page
To Previous Page IconTo Previous Page
Loading...
123
D2
Viene de la página anterior
SEC
PRI
~~
+ +
--
CV+CV- D
Malla
Vin-AinAout Vin+ Vout-Vout++
CN1
-
SW1
JP
4321
D4L-PLUS
Red
OUT
CTin
D1
JP1
IN
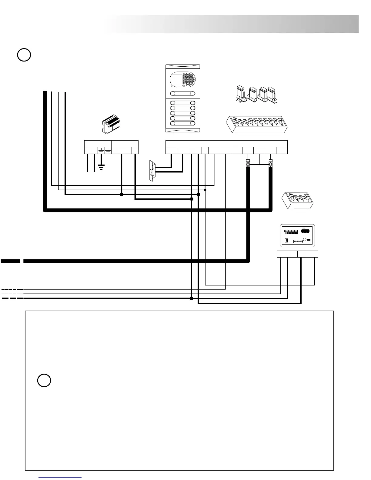
ideoportero con placa general para grandes complejos residenciales.
v
1,50mm² 2,50mm²
0,25mm² 0,25mm²
RG-59 RG-59
Borne / Terminal
100m. 300m.
A , A , A, D
in out
V , V , V , V
in+ out+ in out
Para distancias superiores consulte con nuestros servicios de asistencia técnica.
+, , CV+, CV
To the monitors
EDIFICIO 126
Vers les moniteurs
A los monitores
BÂTIMENT 126
BUILDING 126
Suite de la page précédente
Coming from previous page
ystème vidéo avec plaque d'entrée générale pour grands complexes résidentiels
S
Pour des distances supérieures, consulter notre service d'assistance technique.
ideo installation with general entrance door panel for residential complexes.
v
For longer distances than the specified contact with your distributor.
FA-Plus o ou or FA-Plus/C
*
FA-PLUS o ou or FA-PLUS/C rev. 938072.
*
124
INSTALACIÓN / INSTALLATION
SEC
PRI
~~
+ +
--
CV+CV- D
Malla
Vin-AinAout Vin+ Vout-Vout++
CN1
-
SW1
JP
4321
Red
_ _
++
D2D1
1 2 3 4
D1
D2
UNO PLUS PLUS UNO
UNO PLUS UNO PLUS
1 2 3 4
1 2 3 4
1 2 3 4
1 2 3 4
RD-Plus/Uno
Ejemplo de montante con repetidor
Exemple de colonne montante avec répéteur.
Example of column with digital repeater
To the monitors
Vers les moniteurs
A los monitores
EDIFICIO 127
BÂTIMENT 127
BUILDING 127
NOTAS IMPORTANTES: consultar siguiente página.
NOTES IMPORTANTES: voir suite à la page suivante.
IMPORTANT NOTES: refer to next page.
Si en alguno de los portales interiores existiera alguna unidad de T-940 Uno o Platea Uno,
deberá utilizar un repetidor digital RD-Plus/Uno, instalándolo tal y como muestra el
esquema.
Aux bâtiments qui ont installés des moniteurs ou postes d'appel "Uno", il faudra utiliser un
répéteur RD-Plus/Uno, qui doit être installé comme montré sur le schéma.
If any T-940 Uno or Platea Uno is connected to an internal building doorpanel, a digital
repeater RD-Plus/Uno must be used, installed as shown in the diagram.
!
!
FA-Plus o ou or FA-Plus/C
*

Related product manuals