EasyManua.ls Logo

Goodman GPG13 - GPG13(36)4 A Wiring Diagram

Goodman GPG13
40 pages
Print Icon
To Next Page IconTo Next Page
To Next Page IconTo Next Page
To Previous Page IconTo Previous Page
To Previous Page IconTo Previous Page
Loading...
31
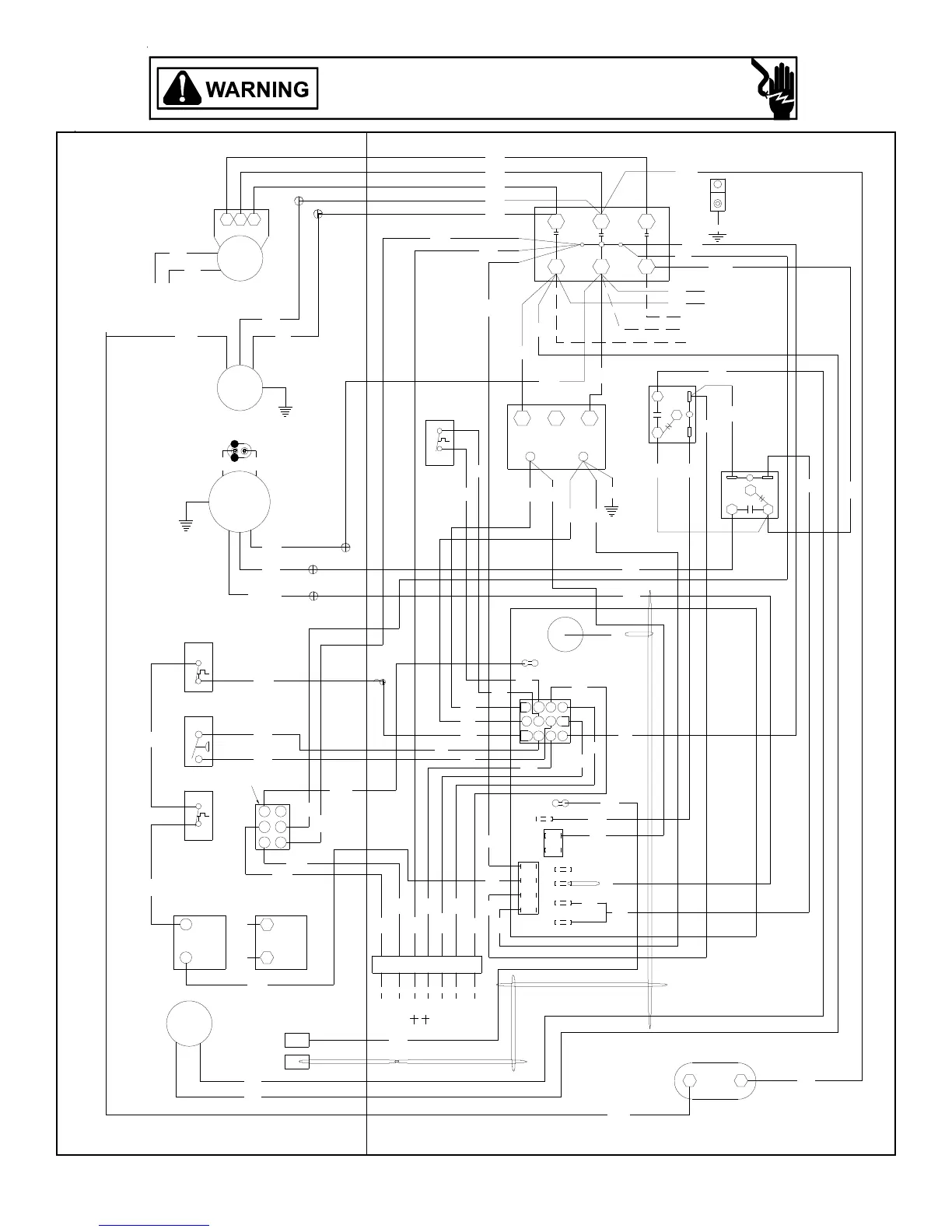
GPG13(36)4A WIRING DIAGRAM
Y2
YL
PU
BL
BK
RD
BL
YL
PU
YL
BL
PU
PU
NOTE 4
PLF
YL
PU
YL
GR
RD/YL
BK
PU
BK
BR
BR
BR
FC
BK
PU
BK
WH
DI
BR
GR
Y1 WYGCR
RD
OR
BL
BL
BL
YL
PU
BL
RD
GR
WH
L2
BL
HEAT COOL
UNUSED
L1
FC
GR
RD
RD
BL BL
WH
YL
YL
BL
PU
RD
FS
RD
YL
65
4
RD
RD
1 3
2
GR
10
7
9
12
8
11
ECON
YL
RD
OR
BK
RD
RD
RD
RD
PU
BL
BL
BL
BK
BK
PU
GR
WH
BL
RD
GR
BL
POWER SUPPLY
YL
BK
YL
BK
CH OPTIONAL
460/3/60
SEE NOTE 6
BK
BK
PU
RD
BK
YL
RD
GND
RD
BK
BK
RD
CH OPTIONAL
CONNECTED AT L1, L2
NOTE 2
SEE
NOTE 3
SEE
NOTE 5
TO THERMOSTAT
VM
GAS VALVE
IGN
FS
MV
(ALT.) HONEYWELL
GAS VALVE
MV
W. R.
GV
5
41
2
GV
RS
63
PS
ALS
EM
CM
COMP
T3 T2
T1
IIC
C
3
LS
TR
24V
480
12
C
L1
VMR
IBR
L3L2
T1 T3T2
31
2
3
1
2
Wiring is subject to change. Always refer to the wiring diagram on the unit for the most up-to-date wiring.
HIGH VOLTAGE!
DISCONNECT ALL POWER BEFORE SERVICING OR INSTALLING THIS
UNIT. MULTIPLE POWER SOURCES MAY BE PRESENT. FAILURE TO
DO SO MAY CAUSE PROPERTY DAMAGE, PERSONAL INJURY OR DEATH.

Table of Contents

Related product manuals