EasyManua.ls Logo

Goodman MBR - Air Handler Wiring Diagram; Wiring Diagram Component and Color Codes; Wiring Diagram Operational Notes; Three Speed Motor Wiring Details

Goodman MBR
8 pages
Print Icon
To Next Page IconTo Next Page
To Next Page IconTo Next Page
To Previous Page IconTo Previous Page
To Previous Page IconTo Previous Page
Loading...
SS-GMBR www.goodmanmfg.com 7
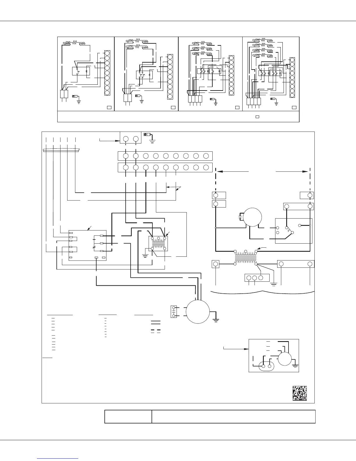
Wiring Diagram – Air Handler
USE COPPER WIRE
SPEEDUP
COPPER POWER SUPPLY
(SEE RATING PLATE)
EQUIPMENT GROUND
BL
BL
SEE
NOTE 3
BK
M1
BR
BR
RC
EM
RD
BL
BK
RD
PU
WH
EBTDR
SR
BL
G
RD
XFMR-R
XFMR-C
C
R
RD
GR
SEE NOTES 2 & 6
BL RD GR WH BR
5
NO
COM
NC
K1
K1
PU
PU
RD
RD
C
BK
BR
PLF
BK
1
RD
PU
2
3
240
24V
4
1
2
3
TR
RD
SEE
NOTE 4
BL
BR
4 5
WH
6789
PLM
GRND
1
BK
23
RD
L2
L1
4 5 678 9
0140A00245-A
PLM
PLF
TR
FACTORY WIRING
FIELD WIRING
NOTE
S:
DELAY RELAY
STRAIN RELIEF
EVAPORATOR MOTOR
ELECTRONIC BLOWER TIME
RUN CAPACITOR
SR
EM
E
BTDR
RC
BK
RD
BL
YL
BLUE
BLACK
RED
YELLOW
COMPONENT CODE
BROWN
PURPLE
GREEN
PU
BR
GR
FEMALE PLUG CONNECTOR
MALE PLUG CONNECTOR
TRANSFORMER
HIGH VOLTAGE
LOW VOLTAGE
HIGH VOLTAGE
LOW VOLTAGE
PLF
3
2
COLOR CODE
RD
TR
WH
6
BR
5
PLF
4
4
24V
5
SEE NOTE 1
1
2
3
RC
HI
EM
GR
WIRING CODE
BL
EBTDR
LO
COM
NC
M1
EBTDR
NO
208/240 VOLTS
1
1
PLF
PLM
L1
PLM
2
L2
(M2)
PU
RC
(M1) BK
BL
MEDIUM
3 SPEED
BR
HIGH
EM
(COM) RD LOW
IF REPLACEMENT OF THE ORIGINAL WIR ES
SUPPLIED WITH THIS ASSEMBLY IS NECESSARY
USE WIR E THAT CONFORMS TO THE
NATIONAL ELECTRIC CODE.
M2
PU
(TR 1)
M2
R G
C
EBTDR
SEE NOTE 1
FL FUSE LINK
TL
THERMAL LIMIT
SEE NOTE 5
R RELAY
TERMINAL BLOCK SHOWN
FOR 50HZ MODELS ONLY
THREE SPEED MOTOR WIRING
(SELECT MODELS ONLY)
SEE NOTE 3
WHITE
WH
USE MIN. 75°C FIELD WIRE
1. RED WIRES TO BE ON TRANSFORMER TERMINAL "3" FOR 240 VOLTS AND
ON TERMINAL "2" FOR 208 VOLTS
2. SEE COMPOSITE WIRING DIAGRAMS IN INSTALLATION INSTRUCTIONS FOR PROPER
LOW VOLTAGE WIRING CONNECTIONS
3. CONFIRM SPEED TAP SELECTED IS APPROPRIATE FOR APPLICATION. IF SPEED TAP
NEEDS TO BE CHANGED, CONNECT APPROPRIATE MOTOR WIRE (RED FOR LOW,
BLUE FOR MEDIUM, AND BLACK FOR HIGH SPEED) ON "COM" CONNECTION OF THE EBTDR
INACTIVE MOTOR WIRES MUST BE CONNECTED TO "M1 OR M2" ON EBTDR.
4. BROWN AND WHITE WIRES ARE USED WITH HEAT KITS ONLY.
5. EBTDR HAS A 7 SECOND ON DELAY WHEN "G" IS ENERGIZED AND A 65 SECOND OFF
DELAY WHEN "G" IS DE-ENERGIZED.
6. LOW VOLTAGE FIELD WIRING TO BE N.E.C CLASS 2 WIRES.
GRND GROUND
SEE NOTES 2 & 6
NOTE: WHEN INSTALLING HEATER KIT, ENSURE SPEED TAP DOES NOT EXCEED MINIMUM BLOWER SPEED (MBS) SPECIFIED FOR THE AIRHANDLER/HEATER
KIT COMBINATION ON THIS UNIT'S INSTALLATION INSTRUCTIONS. AFTER INSTALLING OPTIONAL HEAT KIT, MARK AN "X" IN THE PROVIDED ABOVE.
MARK ACCORDING TO NUMBER OF HEATER ELEMENT ROWS INSTALLED. NO MARK INDICATES NO HEAT KIT INSTALLED.
FL
FL
FL
FL
FL
FL
FL
M
4
M
3
M
2
M
1
FL
FL
M2
M1
FL
FOUR (4) ELEMENT ROWS
THREE (3) ELEMENT ROWSTWO (2) ELEMENT ROWSONE (1) ELEMENT ROWS
1
PLM
BK
2
3
5
4
BR
BL
RD
BK
RD
BL
YL
TL
TL
TL
BL
M8
R2
M7
PU
RD
M4
R1
M3
M5
M6
7
9
8
YL
BK
RD
BL
6
WH
BL
M2
BK
YL
M1
RD
1
PLM
4
3
6
5
2
L2
L1
L1
L2
8
7
9
RD
BK
HTR2
HTR3
HTR4
BK
HTR1
TL
BK
RD
BK
RD
BL
BR
WH
BL
M1
YL
R2
M2
PU
TL
TL
HTR1
HTR2
TL
HTR3
M3
BK
RD
M4
R1
RD
YL
RD
BK
M2
M1
YL
RD
L2
L1
L2
BK
PLM
1
RD
BK
3
5
4
PU
RD
2
7
9
8
6
BK
L1
TL
HTR1
R
BK
RD
RD
RD
BK
L1 L2
BK
WH
2
1
RD
BK
PLM
4
3
6
5
BK
TL
PU
BL
WH
R
7
8
9
RD
HTR2
TL
HTR1
BK
BK
1L 2L
BK
BL
BK
0140M00011
Wiring is subject to change. Always
refer to the wiring diagram on the
unit for the most up-to-date wiring.
Warning
High Voltage: Disconnect all power before servicing or installing this unit. Mulple power
sources may be present. Failure to do so may cause property damage, personal injury, or death.

Related product manuals