EasyManua.ls Logo

Graco DH230 - Page 49

Graco DH230
69 pages
Print Icon
To Next Page IconTo Next Page
To Next Page IconTo Next Page
To Previous Page IconTo Previous Page
To Previous Page IconTo Previous Page
Loading...
DH230/GH™200/230/300 ProContractor
334558D 49
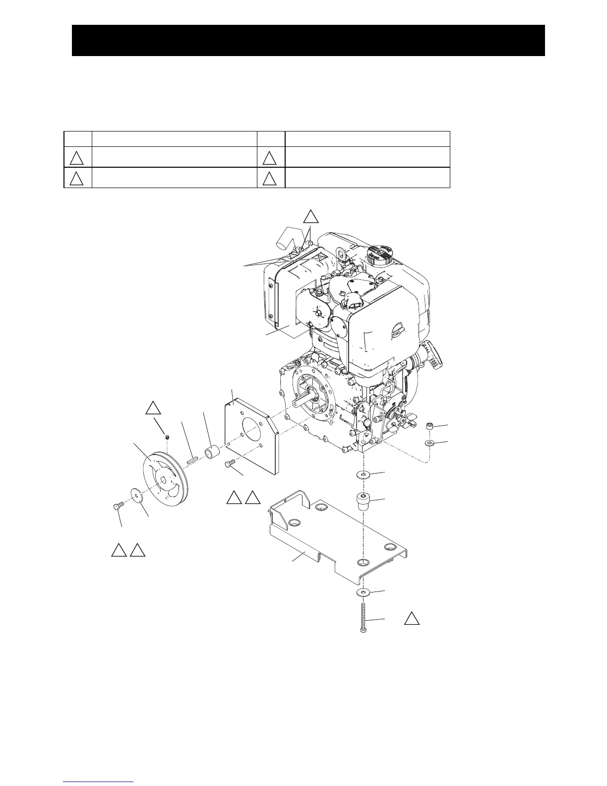
Parts - Engines
DH230 ProContractor Series
Ref. Torque Ref. Torque
120-130 in-lb (13.6 - 14.7 N•m) Apply Locktite 242
58-62 in-lb (6.6 - 7.0 N•m) 65-85 in-lb (7.3 - 9.6 N•m)
1
3
2
4
119
196
161
43
106
126
30
34
30
24
7
154
153
154
23
99
ti28390a
1
2
1 3
1 3
1

Related product manuals