EasyManua.ls Logo

Graco DH230 - Page 54

Graco DH230
69 pages
Print Icon
To Next Page IconTo Next Page
To Next Page IconTo Next Page
To Previous Page IconTo Previous Page
To Previous Page IconTo Previous Page
Loading...
DH230/GH™200/230/300 ProContractor
54 334558D
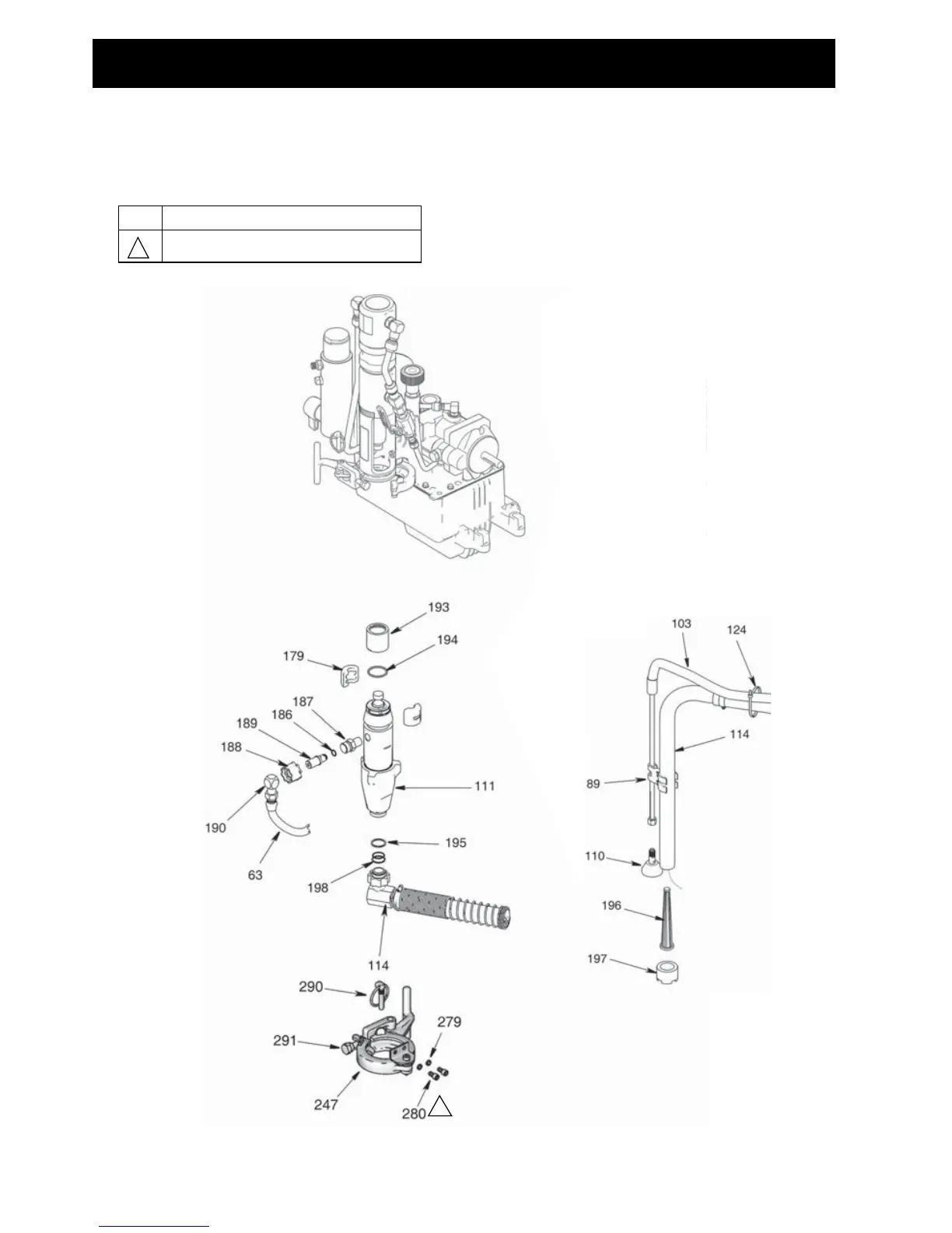
Parts
DH230/GH
200/230/300 ProContractor Series
Ref. Torque
90-110 in-lb (10.2 - 12.4 N•m)
1
ti25132a
1

Related product manuals