EasyManua.ls Logo

Graco Glutton 400 Series - 400 Series Stainless Steel Pumps, Models 220666 and 237011

Graco Glutton 400 Series
48 pages
Print Icon
To Next Page IconTo Next Page
To Next Page IconTo Next Page
To Previous Page IconTo Previous Page
To Previous Page IconTo Previous Page
Loading...
26 307843
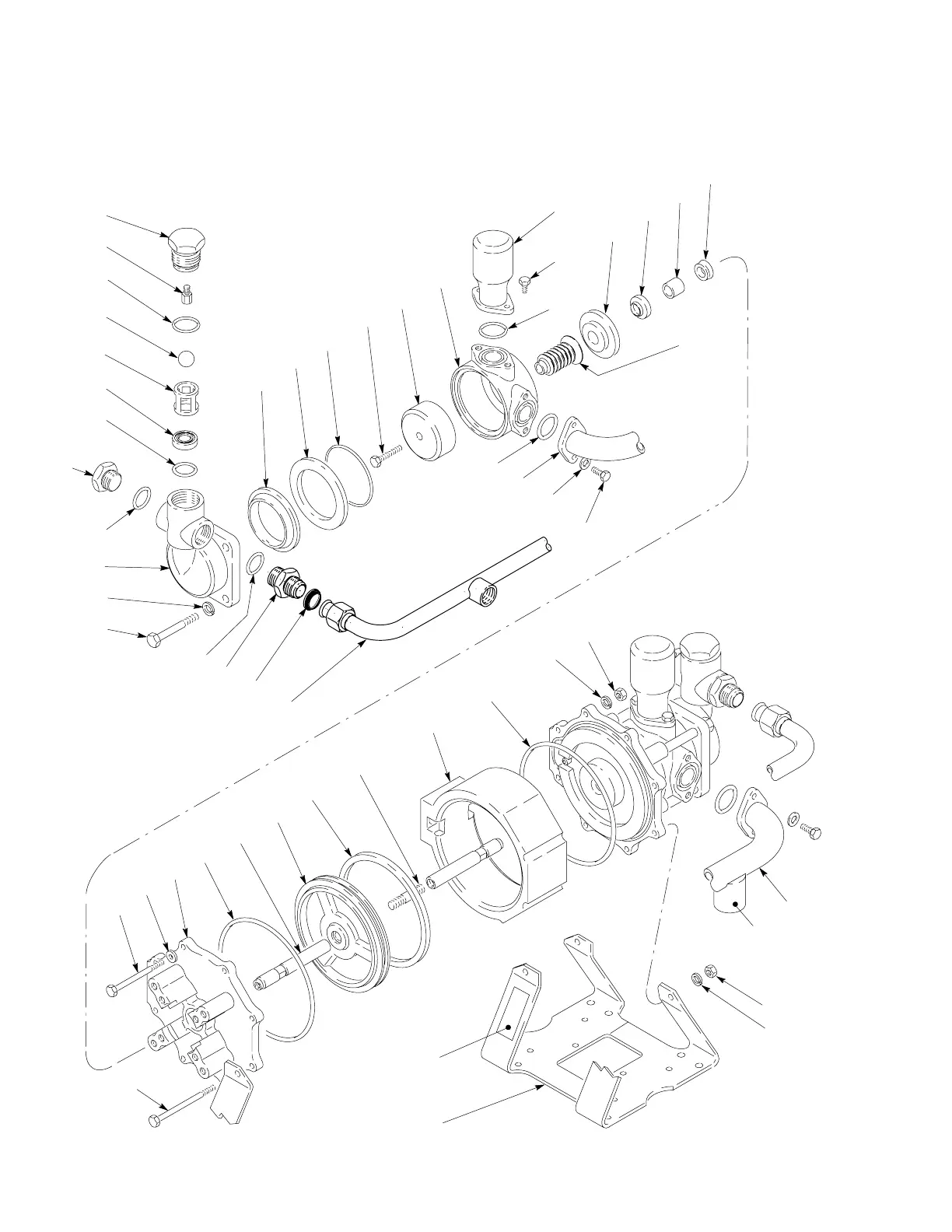
Parts
400 Series Stainless Steel Pumps
Model 220666, Series D
Model 237011, Series A
50
53
54*
57
56
49
48*
33
34
35
51
13*
12
18*
16
17
36
19*
47
46
32
14*
20
52*
31
32
19*
55
58
52*
1
2
26*
27
64
44
61
25
21
22
4
3
15
29
28*
30
47
71
23*
02332
1
2
26*
73

Related product manuals