EasyManua.ls Logo

Graco Glutton 400 Series - Dimensional Drawing; Mounting Hole Layout

Graco Glutton 400 Series
48 pages
Print Icon
To Next Page IconTo Next Page
To Next Page IconTo Next Page
To Previous Page IconTo Previous Page
To Previous Page IconTo Previous Page
Loading...
2
1
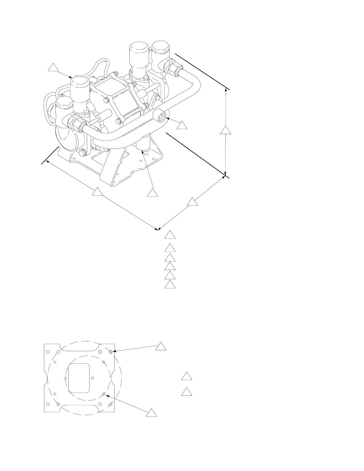
Four-hole bolt pattern on 10.5-in. (267mm) dia. circle
Three-hole bolt pattern on 6.38-in. (162mm) dia. circle
1
2
02324
307843 47
Dimensional Drawing
6
2
3
1
5
02321
4
Height 400 and 1200 Series pumps: 15.1 in. (384 mm)
2500 Series pumps: 12.6 in. (320 mm)
Width: 19.6 in. (498 mm)
Depth: 15.83 in. (401 mm)
Air inlet 1/2 npt(f)
Fluid inlet: 1.25 npt(f)
Fluid outlet 400 and 1200 Series pumps: 1 npt(f)
2500 Series pumps: 3/4 npt(f)
3
2
6
1
4
5
Mounting Hole Layout

Related product manuals