EasyManua.ls Logo

Graco Line Driver 233725 - Operating the Line Driver; Forward and Reverse Motion; Making Turns

Graco Line Driver 233725
16 pages
To Next Page IconTo Next Page
To Next Page IconTo Next Page
To Previous Page IconTo Previous Page
To Previous Page IconTo Previous Page
Loading...
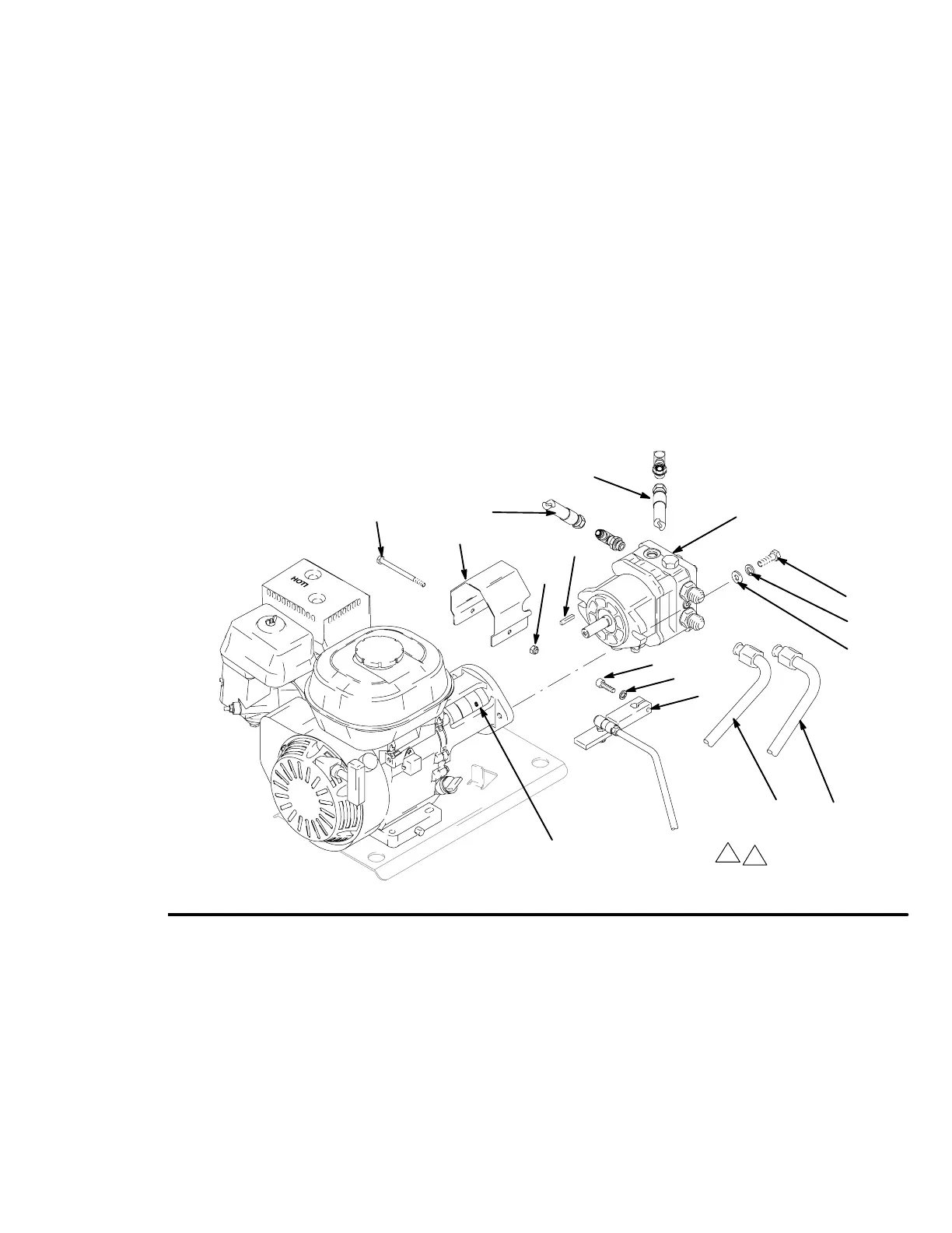
9309404
Variable Displacement Pump
Removal
1. Be prepared to plug hydraulic connections.
2. Fig. 7. Disconnect hydraulic lines (109, 110) and
hoses (118, 119) from variable displacement pump
(5).
3. Remove two cap screws (80), two lock washers
(75) and two washers (74).
4. Remove cap screw (87) and washer (71) from
control arm (58).
5. Remove cap screw (129), lock nut (130) and
coupler guard (125).
6. Remove set screw (A) from flexible coupling (34)
and remove variable displacement pump (5) and
key (83).
Installation
1. Install variable displacement pump (5) and key
(83). Install set screw (A) into flexible coupling
(34).
2. Install coupler guard (125) with cap screw (129),
and lock nut (130).
3. Install washer (71) and cap screw (87) into control
arm (58).
4. Install two washers (74), two lock washers (75)
and two cap screws (80).
5. Connect hydraulic lines (109, 110) and hoses (118,
119) to variable displacement pump (5).
Fig. 7
1
2
119
110
109
118
5
80
75
74
87
71
58
129
125
83
A
130
ti657a

Other manuals for Graco Line Driver 233725

Related product manuals