EasyManua.ls Logo

Gravely 985103 - 16 HP Electric Start - Briggs Wiring

Gravely 985103
44 pages
Print Icon
To Next Page IconTo Next Page
To Next Page IconTo Next Page
To Previous Page IconTo Previous Page
To Previous Page IconTo Previous Page
Loading...
9 -42
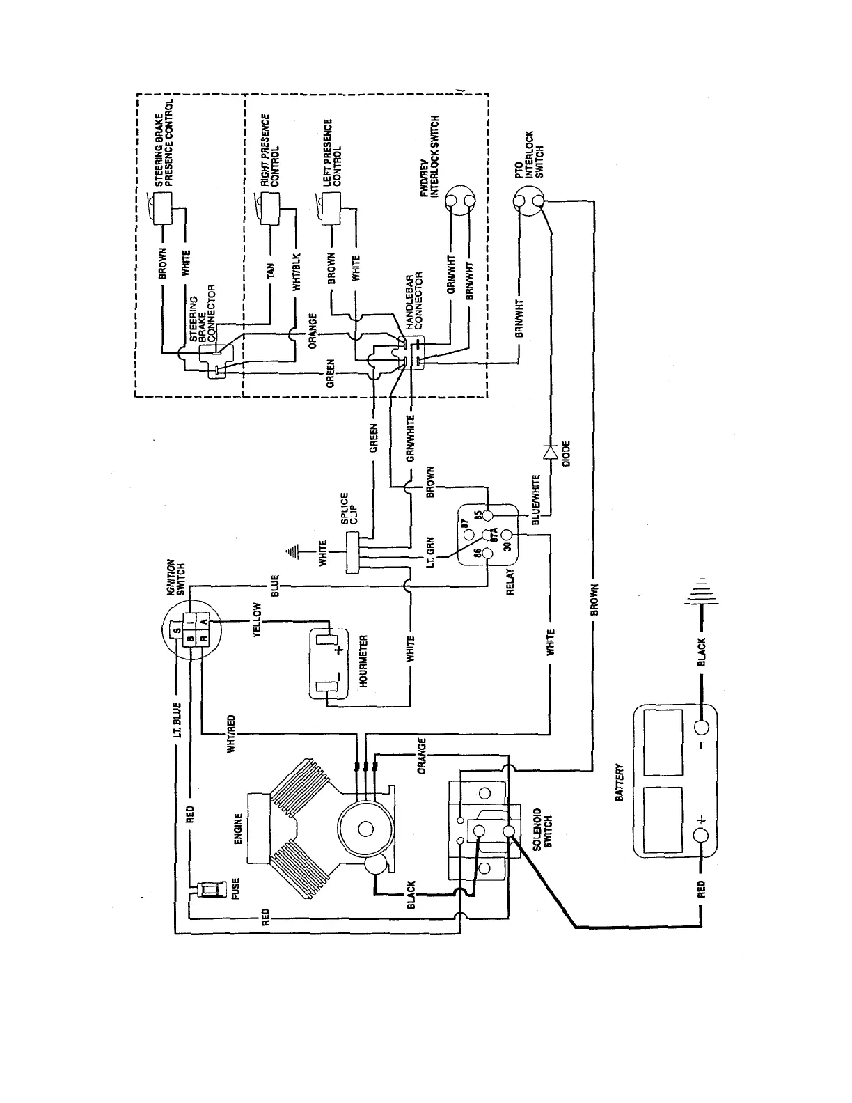
9.14 16 HP ELECTRIC START - BRIGGS

Table of Contents

Related product manuals