EasyManua.ls Logo

Gravely 985103 - Robin Engines Wiring

Gravely 985103
44 pages
Print Icon
To Next Page IconTo Next Page
To Next Page IconTo Next Page
To Previous Page IconTo Previous Page
To Previous Page IconTo Previous Page
Loading...
9 -43
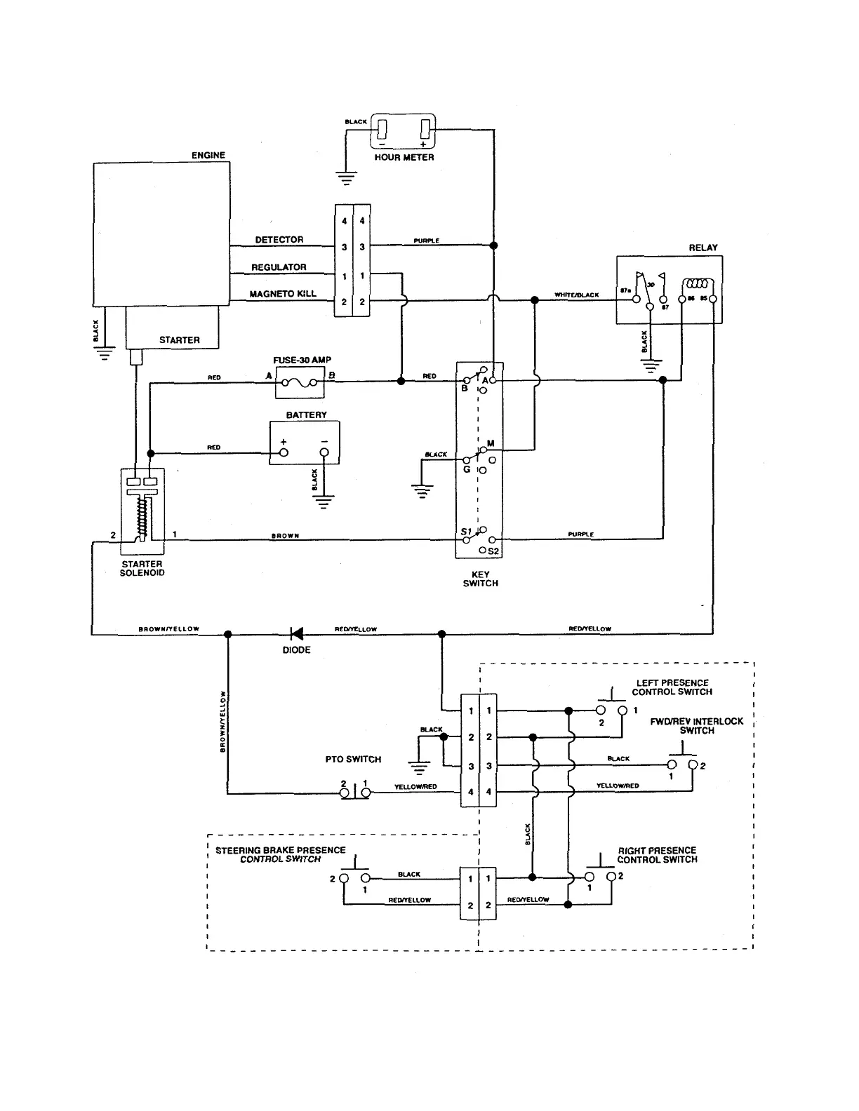
9.15 ROBIN ENGINES

Table of Contents

Related product manuals