EasyManua.ls Logo

GRE HPG25 - Elektrische Verkabelung

GRE HPG25
278 pages
Print Icon
To Next Page IconTo Next Page
To Next Page IconTo Next Page
To Previous Page IconTo Previous Page
To Previous Page IconTo Previous Page
Loading...
116
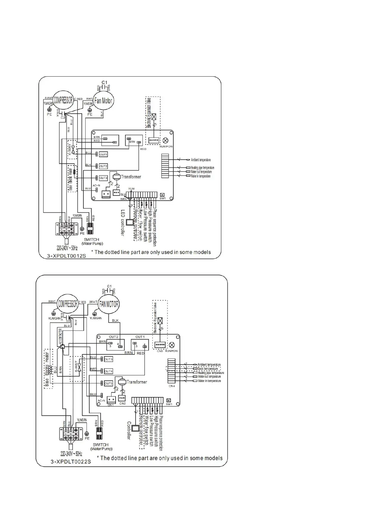
5. Elektrische Verkabelung
5.1 VERKABELUNGSDIAGRAMM DER SCHWIMMBECKEN-WÄRMEPUMPE
HPG25/HPG40
HPG50/HPG70

Related product manuals