EasyManua.ls Logo

GRE HPG25 - ELECTRICAL WIRING; WIRING DIAGRAMS

GRE HPG25
278 pages
Print Icon
To Next Page IconTo Next Page
To Next Page IconTo Next Page
To Previous Page IconTo Previous Page
To Previous Page IconTo Previous Page
Loading...
18
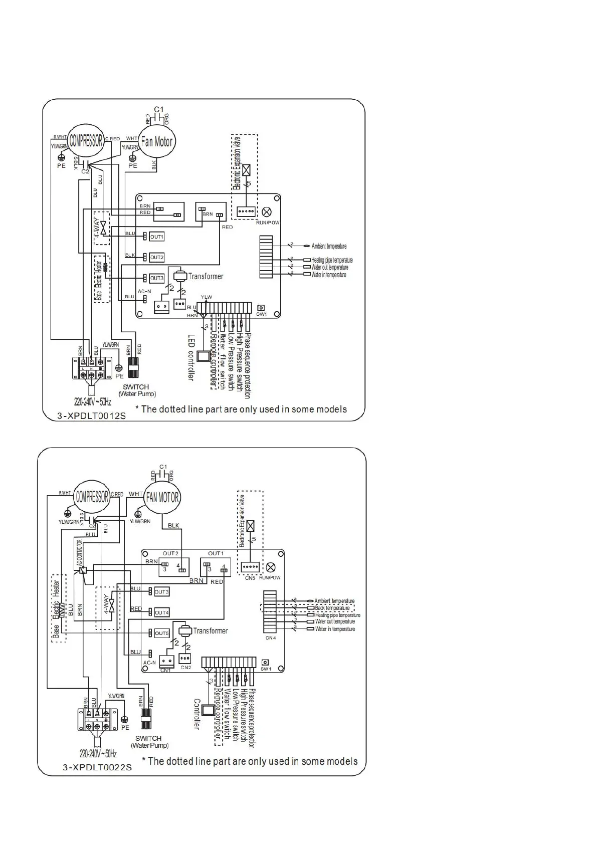
5. Electrical Wiring
5.1 SWIMMING POOL HEAT PUMP WIRING DIAGRAM
HPG25/HPG40
HPG50/HPG70

Related product manuals