EasyManua.ls Logo

GRE HPG25 - Installation du Clapet Anti-Retour

GRE HPG25
278 pages
Print Icon
To Next Page IconTo Next Page
To Next Page IconTo Next Page
To Previous Page IconTo Previous Page
To Previous Page IconTo Previous Page
Loading...
76
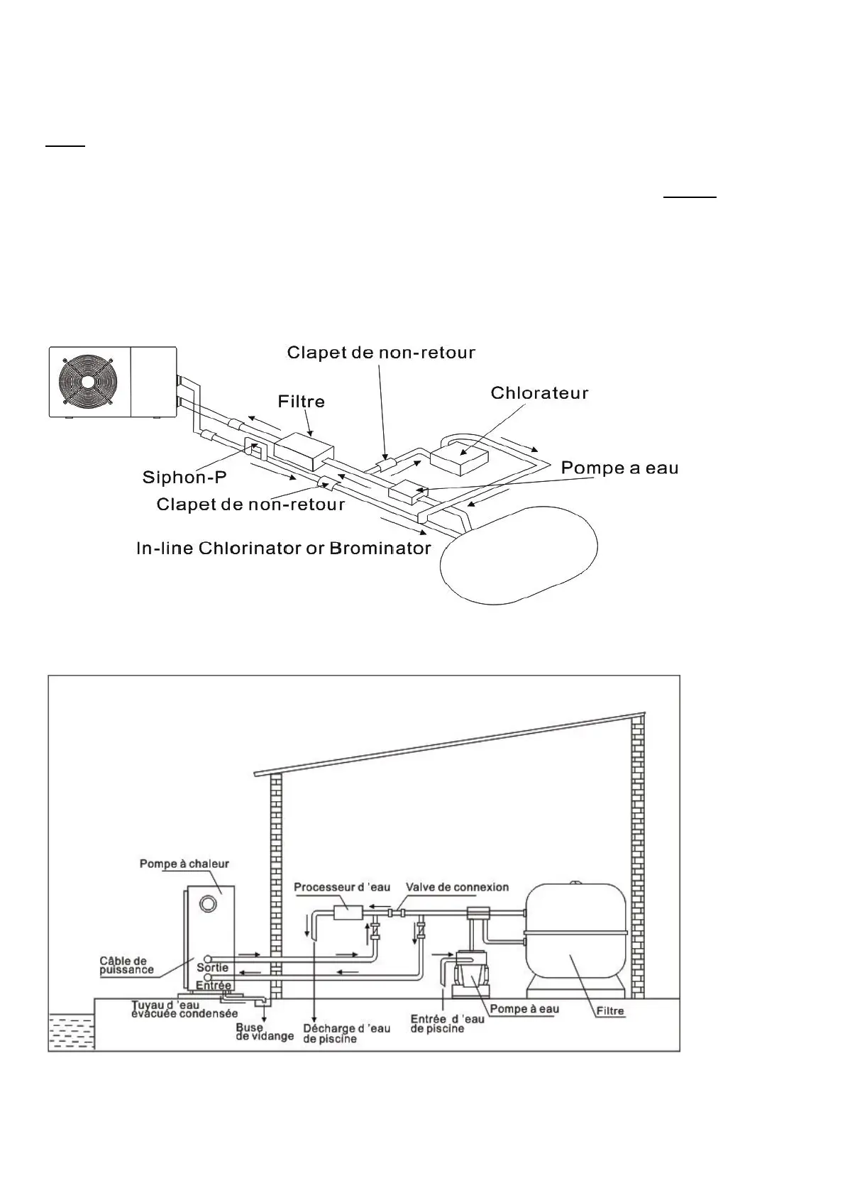
3.4 Installation du clapet anti-retour
Note: Si l'équipement de dosage automatique pour le chlore et l'acidité (pH) est utilisé, il est essentiel de
protéger la pompe à chaleur contre les produits chimiques à concentration trop élevée qui pourraient
corroder l'échangeur thermique. Pour cette raison, ce type d’équipement doit être installé en aval de la
pompe à chaleur. Il est recomman d’installer un clapet anti-retour pour empêcher un écoulement
inverse en l'absence de circulation d'eau.
Les dommages induits par le non-respect de cette instruction ne sont pas couverts par la garantie.
3.5 Installation
Note: Cet arrangement est seulement un exemple illustratif..

Related product manuals