EasyManua.ls Logo

GRE HPG25 - Page 142

GRE HPG25
278 pages
Print Icon
To Next Page IconTo Next Page
To Next Page IconTo Next Page
To Previous Page IconTo Previous Page
To Previous Page IconTo Previous Page
Loading...
139
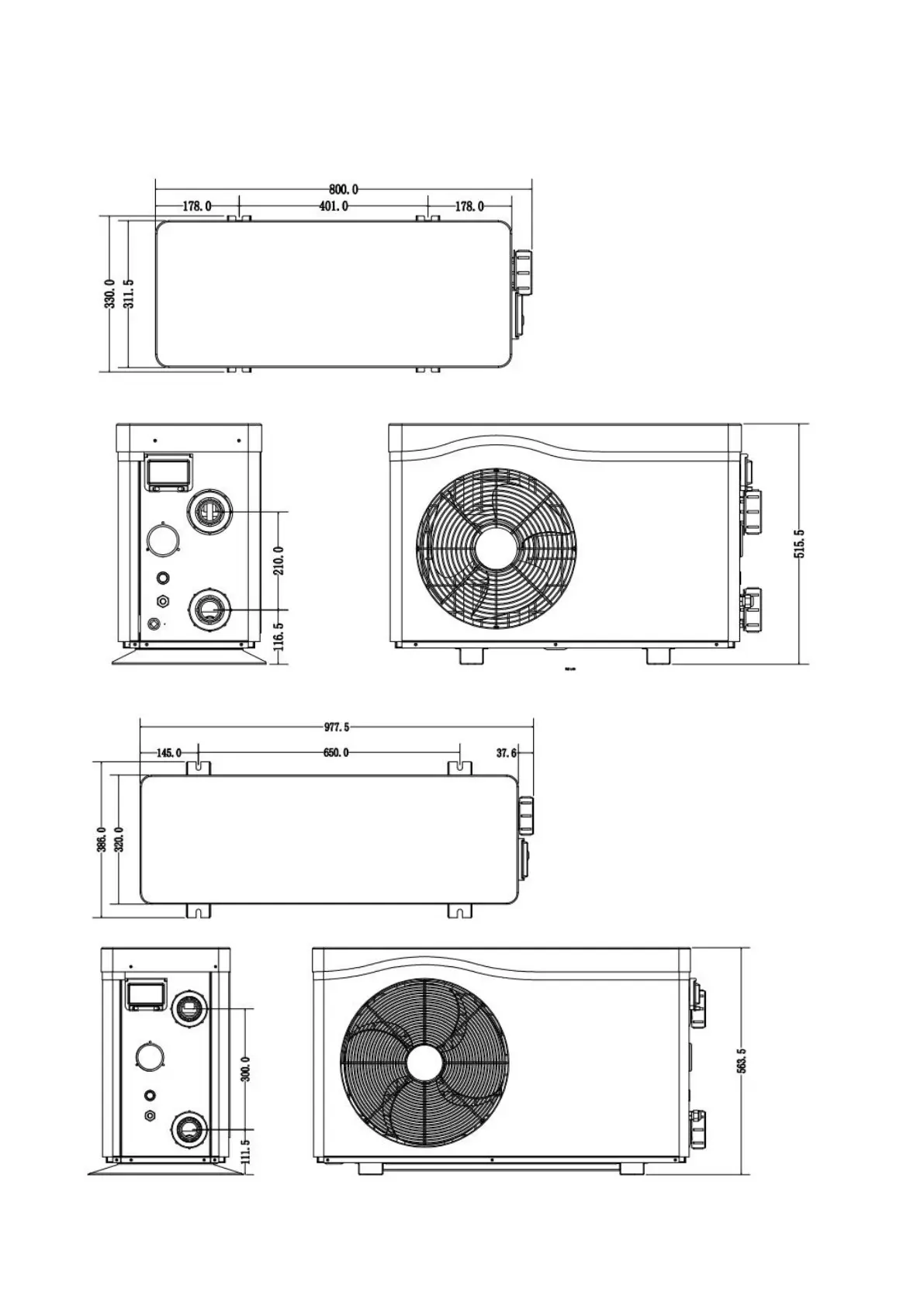
2. Dimensione (mm)
Modelli:HPG25
Modelli:HPG40 & HPG50

Related product manuals