EasyManua.ls Logo

GRE HPG25 - Page 252

GRE HPG25
278 pages
Print Icon
To Next Page IconTo Next Page
To Next Page IconTo Next Page
To Previous Page IconTo Previous Page
To Previous Page IconTo Previous Page
Loading...
249
HPG50/HPG70
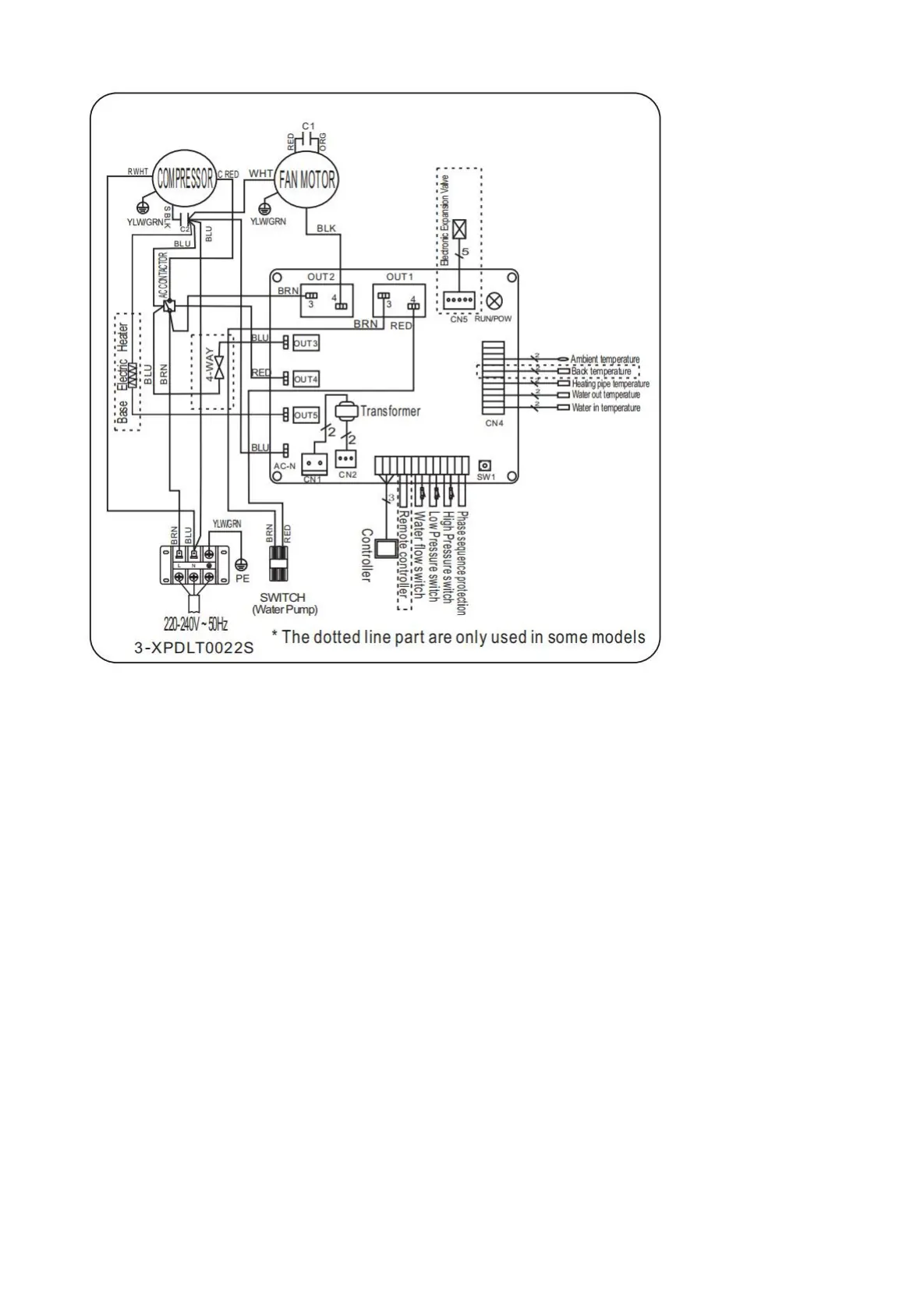
UWAGA:
(1) Powyższy schemat okablowania ma wyłącznie charakter orientacyjny, prosimy o podłączenie
urządzenia zgodnie z diagramem.
(2) Pompa grzewcza do basenów kąpielowych musi zostać odpowiednio uziemiona mimo,
wymiennik ciepła został odizolowany od reszty urządzenia. Wykonanie uziemienia jest nadal
wymagane w celu ochrony przed zwarciami napięcia w urządzeniu.
Odłączanie: Centrala odłączania przepływu prądu (wyłącznik automatyczny, wyłącznik z
bezpiecznikiem lub bez bezpiecznika) powinny być zlokalizowane w widocznych i łatwo dostępnych
miejscach. Jest to praktyka stosowana przez producentów pomp grzewczych na komercyjny i
prywatny użytek. Pozwala wyłączyć pompę na czas jej konserwacji i lub w przypadku awarii.

Related product manuals