EasyManua.ls Logo

Gree GC201306 -1

Gree GC201306 -1
216 pages
To Next Page IconTo Next Page
To Next Page IconTo Next Page
To Previous Page IconTo Previous Page
To Previous Page IconTo Previous Page
Loading...
Super Free Match
Service Manual
INSTALLATION105
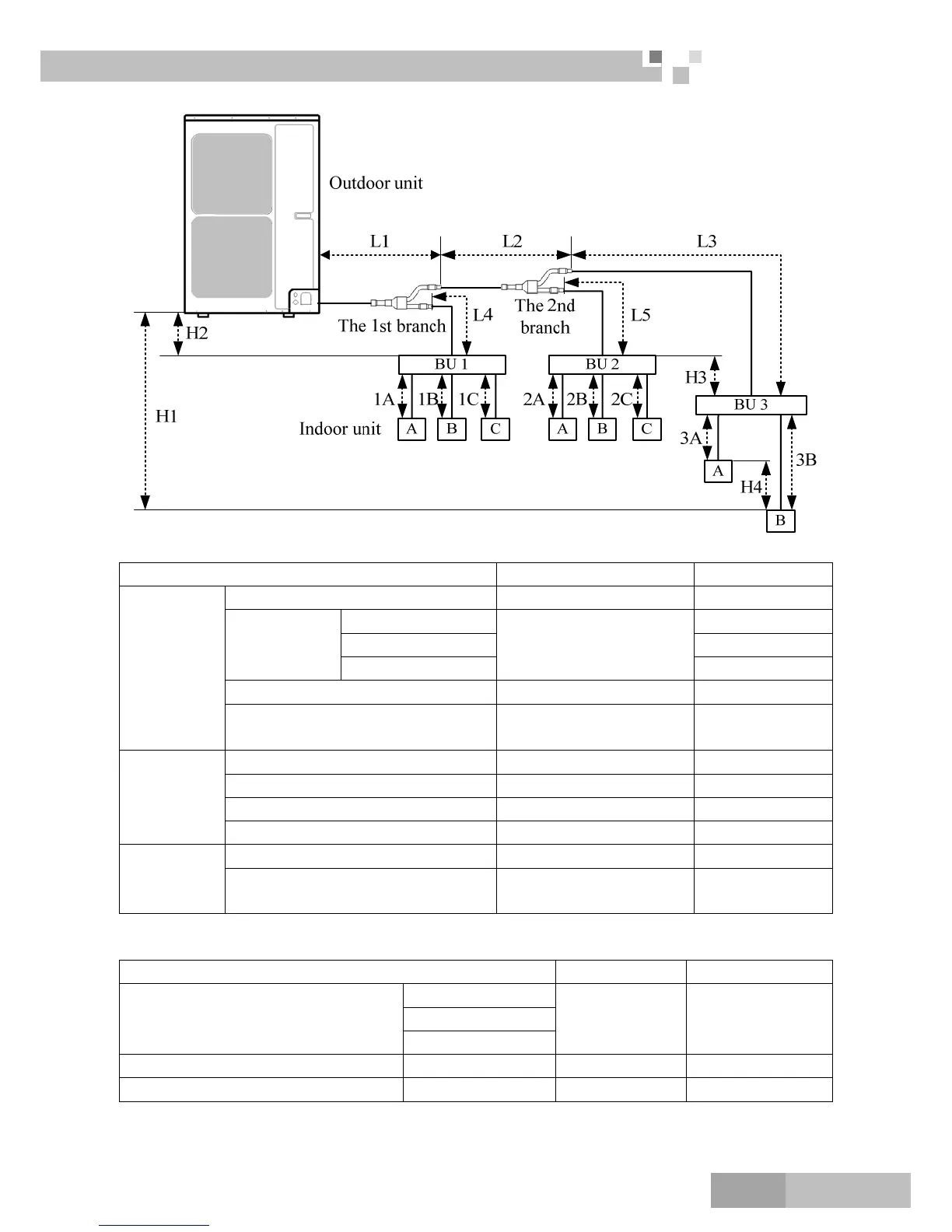
6.2 Allowable Length and Drop Height of Connecting Pipe
The sorts The pipes Lengthm
Between outdoor unit and BU L1+L2+L3+L4+L5 55
GWHD(42S)NK3CO 60
GWHD(48S)NK3CO 80
Between indoor
unit and BU
GWHD(56S)NK3CO
1A+1B+1C+2A+2B+2C+
3A+3B
90
Between indoor unit and BU module 1A;1B;1C;2A;2B;2C;3A;3B 15
Maximum
allowable
length
Between indoor unit and the 1st branch
L4+1B;L2+L5+2A;
L2+L3+3B
40
Between outdoor and indoor units H1 30
Between outdoor units and BU H2 30
Between BU and BU modules H3 15
Maximum
allowable
length
Between indoor and indoor units H4 15
Between outdoor and the 1st branch L1 5 Minimum
allowable
length
Between BU and the branch L3;L4;L5 as possible as short
6.3 Dimension of Connecting Pipe
Sorts Gas Pipemm Liquid Pipemm
GWHD(42S)NK3CO
GWHD(48S)NK3CO
Outdoor unit
GWHD(56S)NK3CO
Φ15.9 Φ9.52
Between outdoor unit and the 1st branch The pipe L1 Φ19.05 Φ9.52
Between the 1st and the 2nd branch The pipe L2 Φ15.9 Φ9.52

Table of Contents

Related product manuals