EasyManua.ls Logo

Gree GMV-ND36T/A-T

Gree GMV-ND36T/A-T
227 pages
To Next Page IconTo Next Page
To Next Page IconTo Next Page
To Previous Page IconTo Previous Page
To Previous Page IconTo Previous Page
Loading...
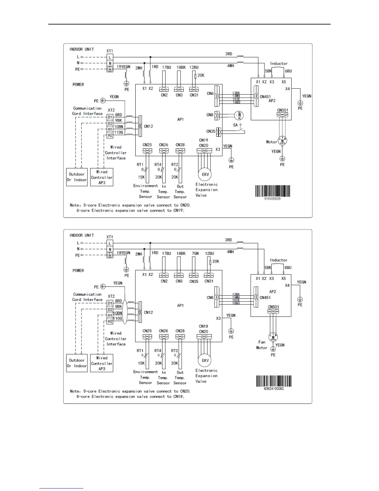
MULTI VRF- INDOOR UNIT SERVICE MANUAL EUROPEAN/LATIN AMETICA (R410A)
114
GMV-ND160PHS/A-T
GMV-ND224PH/A-TGMV-ND280PH/A-T

Table of Contents

Other manuals for Gree GMV-ND36T/A-T

Related product manuals