EasyManua.ls Logo

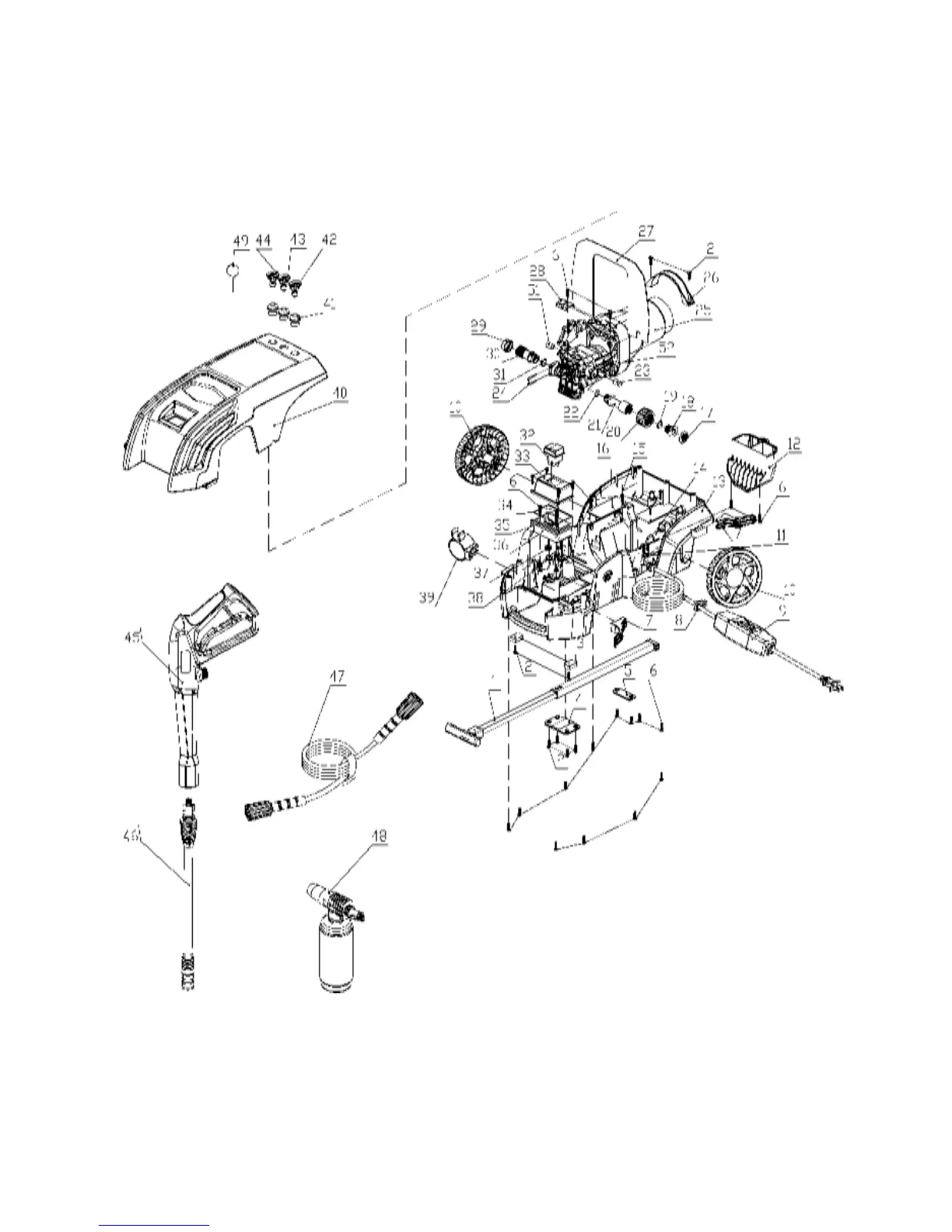
GreenWorks 51142 - EXPLODED VIEW

GreenWorks 51142
35 pages
Print Icon
To Next Page IconTo Next Page
To Next Page IconTo Next Page
To Previous Page IconTo Previous Page
To Previous Page IconTo Previous Page
Loading...
EXPLODED VIEW
28

Other manuals for GreenWorks 51142

Related product manuals