EasyManua.ls Logo

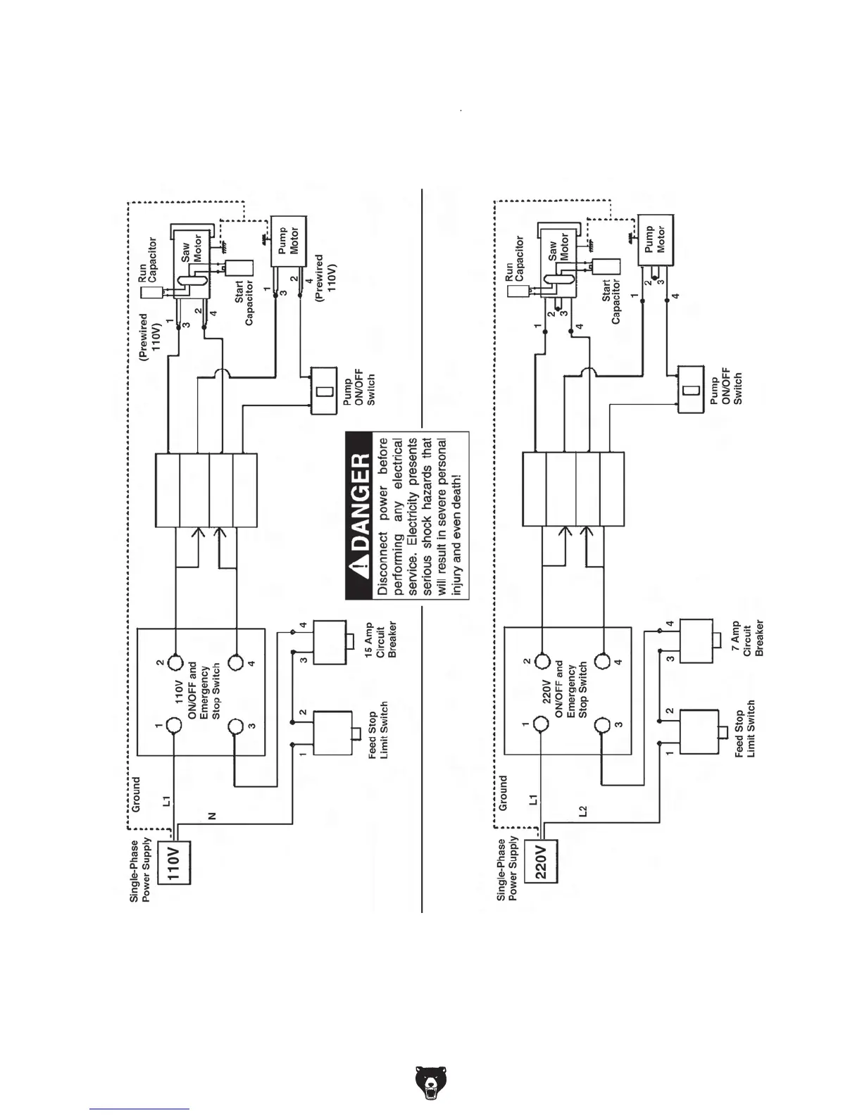
Grizzly G0613 - Wiring Diagrams

Grizzly G0613
68 pages
Print Icon
To Next Page IconTo Next Page
To Next Page IconTo Next Page
To Previous Page IconTo Previous Page
To Previous Page IconTo Previous Page
Loading...
")+"
<%+&($&)Hl^kZaBVhiBZiVa8jii^c\7VcYhVl
'663INGLE0HASE7IRING
$IAGRAM

Other manuals for Grizzly G0613

Related product manuals