EasyManua.ls Logo

Groen EE-40 - Parts List

Groen EE-40
26 pages
Print Icon
To Next Page IconTo Next Page
To Next Page IconTo Next Page
To Previous Page IconTo Previous Page
To Previous Page IconTo Previous Page
Loading...
18 OM/SM-EE-CE
6
7
1
4
1
2
38
3
1
62
12
26
17
18 16
30
26
27
27
31
24
52
43
40
41
42
19 20
22 23 24 25
21 61
67
FOR SAFETY VALVE &
WATER FILL ASSEMBLY
SEE PHOTOGRAPHS IN
THIS SECTION.
OR
66
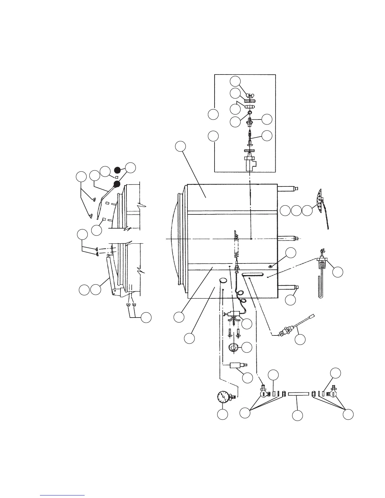
(Keyed to Parts List on Page 17)
To order parts, contact your Groen Certified Service Agency. Supply the model disignation, part description, part
number, quantity and, where applicable, voltage and phase.
10.0 Parts List
OM/SM-EE(CE)
18

Other manuals for Groen EE-40

Related product manuals