EasyManua.ls Logo

GYS STARTIUM 680E - Page 60

GYS STARTIUM 680E
Print Icon
To Next Page IconTo Next Page
To Next Page IconTo Next Page
To Previous Page IconTo Previous Page
To Previous Page IconTo Previous Page
Loading...
60
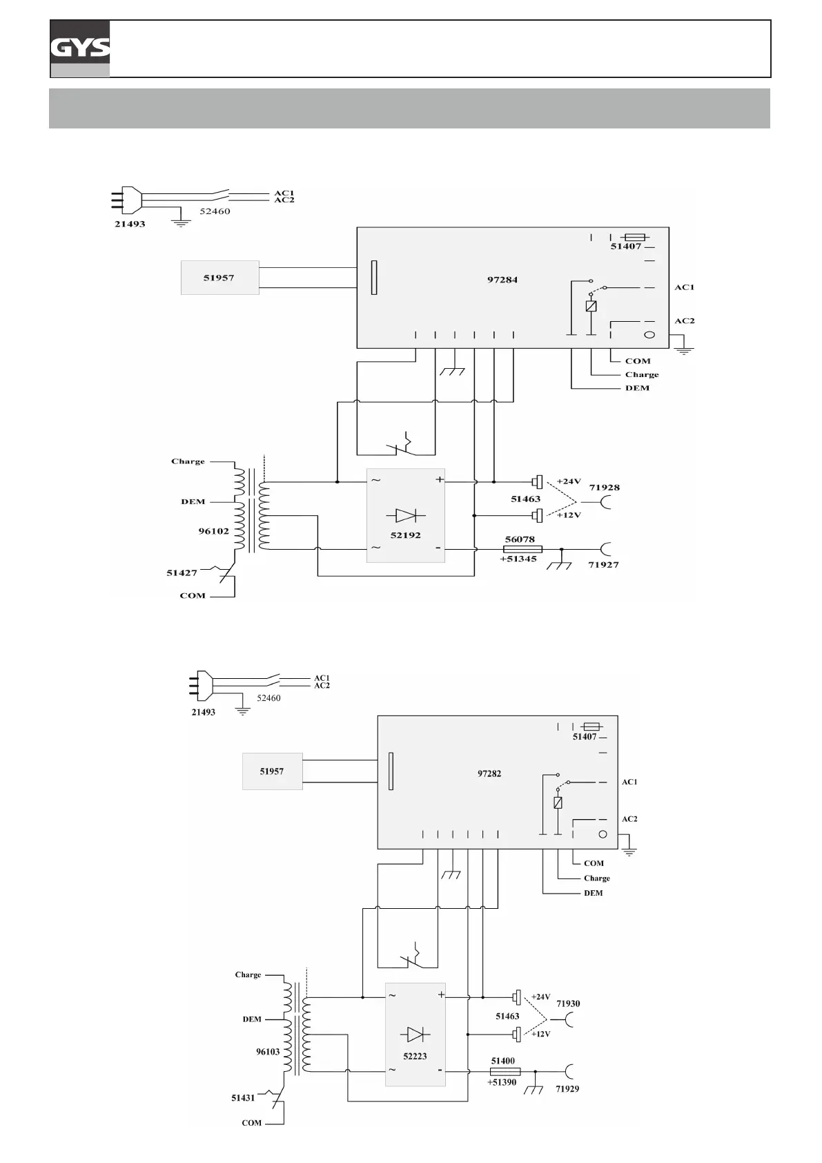
STARTIUM 330E / 480E / 680E / 980E
SCHÉMA ÉLECTRIQUE / CIRCUIT DIAGRAM / SCHALTPLAN / DIAGRAMA ELECTRICO /
ЭЛЕКТРИЧЕСКАЯ СХЕМА / ELECTRISCHE SCHEMA
STARTIUM 330E
STARTIUM 480E

Other manuals for GYS STARTIUM 680E

Related product manuals